CL77A MOTORCYCLE, JPN, VIN# CL77-1000001
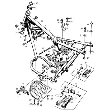
FRAME
AIR CLEANER + TOOL CASE + TOOLS
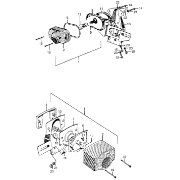
ALTERNATOR
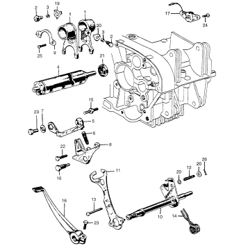
CRANKSHAFT + PISTON
FUEL TANK
TRANSMISSION
HANDLEBAR
MUFFLER
REAR SHOCK ABSORBER
TAILLIGHT
OIL PUMP
CYLINDER + CYLINDER HEAD
HEADLIGHT + SPEEDOMETER
WIRE HARNESS + BATTERY
FRONT FORK I
FRONT FORK II
MAIN STAND + STEP BAR
CAMSHAFT + VALVE + CAM CHAIN
CLUTCH + LEFT CRANKCASE COVER
GEAR CHANGE
POINTS
UPPER & LOWER CRANKCASE
STEERING STEM + FRONT FENDER
LEFT CARBURETOR
RIGHT CARBURETOR
AIR CLEANER CASE + SEAT
SWINGARM + REAR FENDER
UPPER CRANKCASE COVER
FRONT WHEEL I
FRONT WHEEL II
KICK STARTER + RIGHT CRANKCASE COVER
REAR WHEEL I
REAR WHEEL II
Fuel Your Passion
Parts That Keep You Riding
Edit ride