- Partiron
- OEM Parts
- Honda
- MOTORCYCLE
- Models With No Year
- CL77A MOTORCYCLE, JPN, VIN# CL77-1000001
WIRE HARNESS + BATTERY
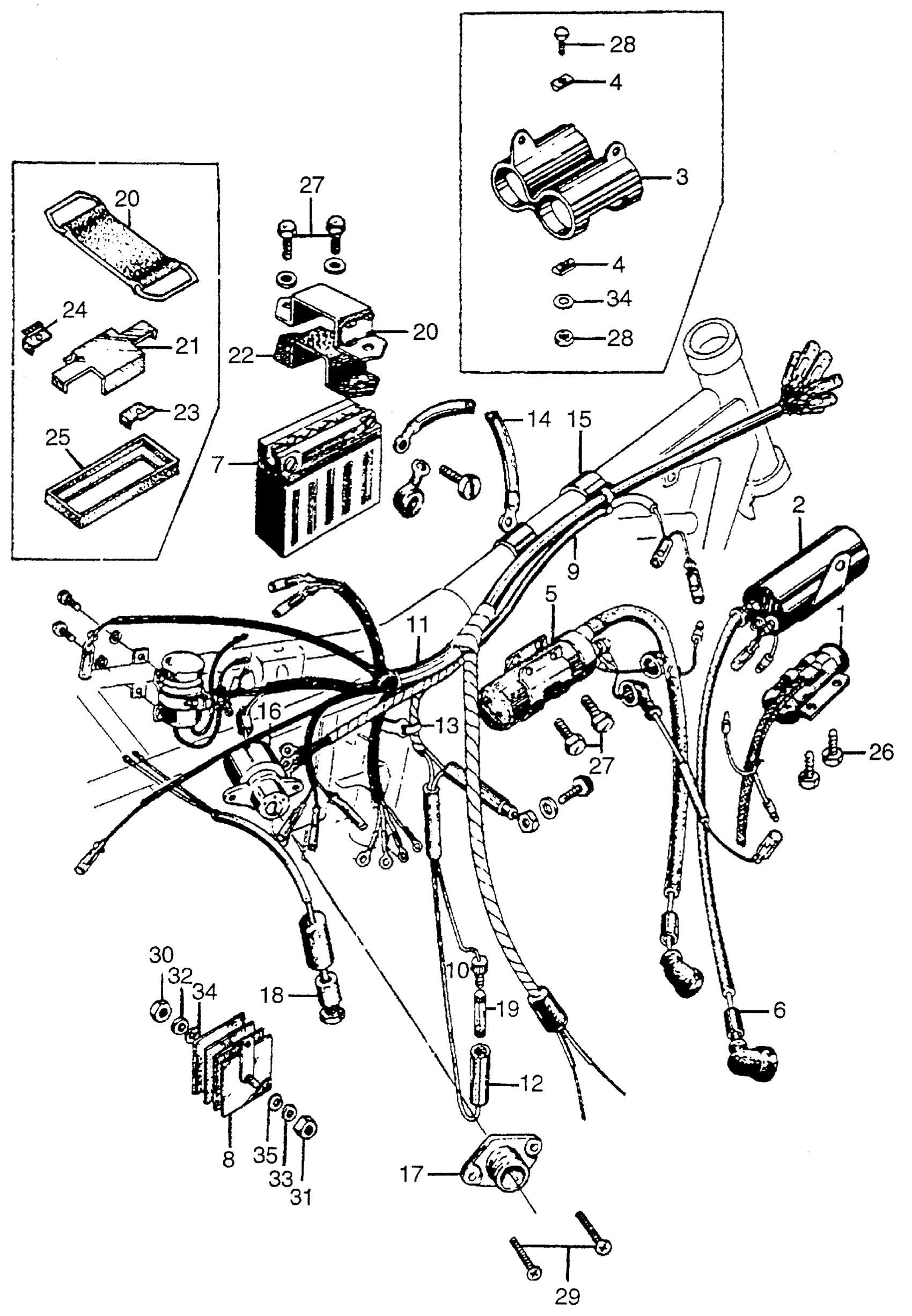
Honda CL77A MOTORCYCLE, JPN, VIN# CL77-1000001 WIRE HARNESS + BATTERY Diagram
#
1
CONDENSER (NOT AVAILABLE)
30250-273-000
Unavailable
2
COIL ASSY., IGNITION (NOT AVAILABLE) This part replaces 30500-273-305.
30500-273-405
Unavailable
2
COIL ASSY., IGNITION (NOT AVAILABLE)
30500-273-405
Unavailable
2
COIL ASSY., IGNITION (NOT AVAILABLE) This part replaces 30510-273-000.
30500-273-405
Unavailable
2
COIL ASSY., IGNITION (NOT AVAILABLE) This part replaces 30520-273-000.
30500-273-405
Unavailable
3
STAY, MAIN
30501-273-000
Unavailable
4
PIECE, BRACKET SET (NOT AVAILABLE)
30503-273-000
Unavailable
5
COIL ASSY., IGNITION (NOT AVAILABLE) This part replaces 30500-273-305.
30500-273-405
Unavailable
5
COIL ASSY., IGNITION (NOT AVAILABLE)
30500-273-405
Unavailable
5
COIL ASSY., IGNITION (NOT AVAILABLE) This part replaces 30520-273-000.
30500-273-405
Unavailable
7
BATTERY ASSY. (12N5-4B) This part replaces 31500-273-000.
31500-313-677
Unavailable
7
BATTERY ASSY. (12N5-4B)
31500-313-677
Unavailable
8
RECTIFIER ASSY., SELENIUM (NOT AVAILABLE) This part replaces 31700-273-000.
31700-273-305
Unavailable
8
RECTIFIER ASSY., SELENIUM (NOT AVAILABLE)
31700-273-305
Unavailable
9
WIRE HARNESS A (NOT AVAILABLE)
32100-273-000
Unavailable
10
CONNECTOR B, FUSE (NOT AVAILABLE)
32106-253-010
Unavailable
11
WIRE HARNESS B (NOT AVAILABLE) This part replaces 32110-273-000.
32110-273-010
Unavailable
11
WIRE HARNESS B (NOT AVAILABLE)
32110-273-010
Unavailable
12
CONNECTOR A, FUSE (NOT AVAILABLE)
32112-253-010
Unavailable
14
CABLE, BATTERY GROUND (NOT AVAILABLE)
32601-273-000
Unavailable
16
SWITCH ASSY., COMBINATION (NOT AVAILABLE)
35010-273-010
Unavailable
17
RETAINER, MAIN SWITCH (NOT AVAILABLE)
35141-273-000
Unavailable
18
SWITCH ASSY., STOP LIGHT (NOT AVAILABLE)
35350-273-000
Unavailable
20
BAND, BATTERY | Use from Frame SN 1000001 to 1015984
83631-273-000
Unavailable
20
BAND, BATTERY (NOT AVAILABLE) | Use from Frame SN 1015985
83631-273-010
Unavailable
21
COVER, BATTERY (NOT AVAILABLE)
83632-273-000
Unavailable
21
COVER, BATTERY (NOT AVAILABLE) This part replaces 83636-273-000.
83632-273-000
Unavailable
22
RUBBER, BATTERY BAND (NOT AVAILABLE)
83634-273-000
Unavailable
23
HOOK, R. BATTERY BAND (NOT AVAILABLE) | Use from Frame SN 1015985
83638-273-303
Unavailable
24
HOOK, L. BATTERY BAND (NOT AVAILABLE) | Use from Frame SN 1015985
83639-273-303
Unavailable
25
MAT, BATTERY RUBBER (NOT AVAILABLE) | Use from Frame SN 1015985
83640-273-000
Unavailable
