- Partiron
- OEM Parts
- Honda
- MOTORCYCLE
- Models With No Year
- CA95A MOTORCYCLE, JPN, VIN# C95-100001
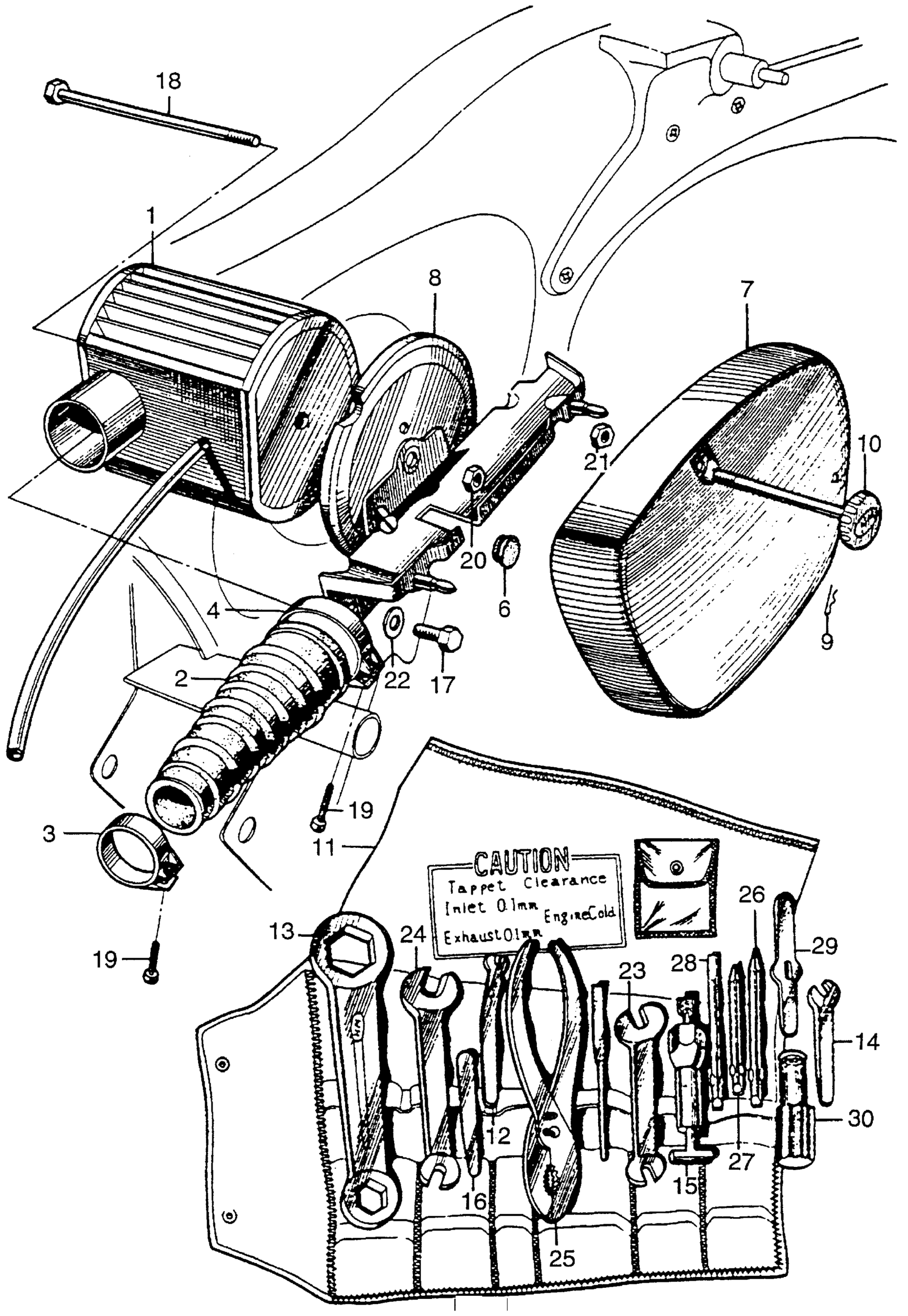
AIR CLEANER + TOOL CASE + TOOLS
Honda CA95A MOTORCYCLE, JPN, VIN# C95-100001 AIR CLEANER + TOOL CASE + TOOLS Diagram
#
Description
Price
1
ELEMENT, AIR CLEANER (NOT AVAILABLE)
17211-205-020
Unavailable
2
TUBE, AIR CLEANER CONNECTING (NOT AVAILABLE) | Use up to Frame SN 2100280
17253-200-020
Unavailable
2
TUBE, AIR CLEANER CONNECTING (NOT AVAILABLE) | Use from Frame SN 2100281
17253-202-000
Unavailable
3
CIRCLIP A (NOT AVAILABLE) | Use up to Frame SN 2100280
17255-200-000
Unavailable
3
BAND A, CONNECTING TUBE (NOT AVAILABLE) | Use from Frame SN 2100281
17255-202-000
Unavailable
4
CIRCLIP B (NOT AVAILABLE) | Use up to Frame SN 2100280
17256-200-000
Unavailable
4
BAND B, AIR CLEANER CONNECTING TUBE (NOT AVAILABLE) | Use from Frame SN 2100281 This part replaces 17256-202-000.
17256-329-000
Unavailable
6
RUBBER, TOOL BOX SHOCK PROOF (NOT AVAILABLE)
50391-250-010
Unavailable
7
COVER, TOOL *NH1* (BLACK) (NOT AVAILABLE) | Use from Frame SN 010001 This part replaces 83500-201-000B.
83500-200-000B
Unavailable
8
BOARD, TOOL TRAY (NOT AVAILABLE)
83530-200-000Z
Unavailable
8
TOOL SET (NOT AVAILABLE) | Use up to Frame SN 2101300
89010-202-000
Unavailable
11
BAG, TOOL (NOT AVAILABLE)
89101-200-000
Unavailable
13
WRENCH, AXLE
89022-200-000
Unavailable
13
WRENCH, AXLE
89202-200-000
Unavailable
14
SPANNER (9MM) (N/A: SEE ASSEMBLY)
89203-200-000
Unavailable
15
WRENCH, SPARK PLUG | Use up to Frame SN 2101300
89216-001-000
Unavailable
15
WRENCH, SPARK PLUG | Use from Frame SN 210301
89216-028-010
Unavailable
15
WRENCH, SPARK PLUG (NOT AVAILABLE) | Use from Frame SN 210301 This part replaces 89216-033-000.
99004-18230
Unavailable
15
WRENCH, SPARK PLUG | Use up to Frame SN 2101300
89216-041-000
Unavailable
15
WRENCH, SPARK PLUG | Use up to Frame SN 2101300
89216-041-010
Unavailable
15
WRENCH, SPARK PLUG | Use from Frame SN 210301
89216-264-000
Unavailable
15
WRENCH, SPARK PLUG (NOT AVAILABLE) | Use from Frame SN 210301
99004-18230
Unavailable
16
GAUGE, TAPPET CLEARANCE ADJUST
89231-200-000
Unavailable
