- Partiron
- OEM Parts
- Honda
- MOTORCYCLE
- Models With No Year
- CB72A MOTORCYCLE, JPN, VIN# CB72-100001
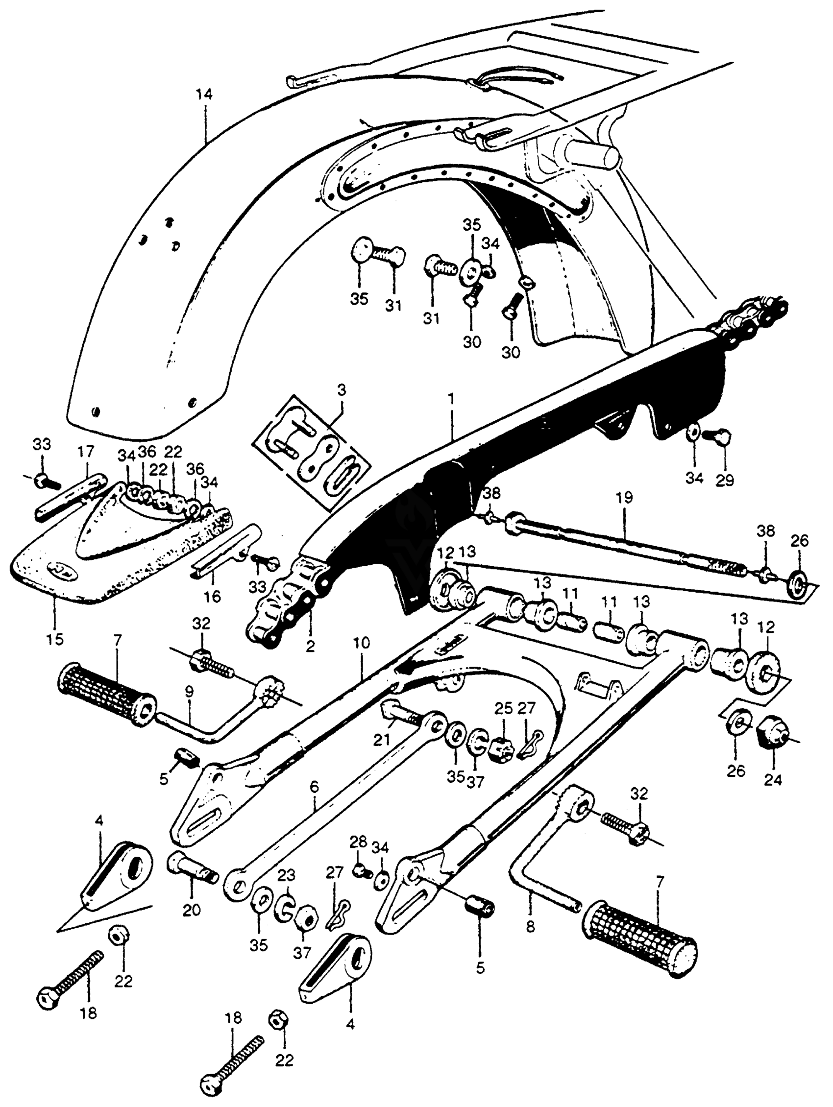
SWINGARM + REAR FENDER
Honda CB72A MOTORCYCLE, JPN, VIN# CB72-100001 SWINGARM + REAR FENDER Diagram
#
1
CASE, DRIVE CHAIN (NOT AVAILABLE)
40510-268-030Z
Unavailable
2
CHAIN, DRIVE (RK50KS-102L) (TAKASAGO) (NOT AVAILABLE) This part replaces 40530-268-010.
405W3-413-505
Unavailable
3
MASTER LINK
40531-268-000
Unavailable
4
ADJUSTER, DRIVE CHAIN (NOT AVAILABLE)
40543-268-000
Unavailable
6
ARM, RR. BRAKE STOPPER (NOT AVAILABLE) This part replaces 43431-268-000.
43431-268-010
Unavailable
6
ARM, RR. BRAKE STOPPER (NOT AVAILABLE)
43431-268-010
Unavailable
7
RUBBER, STEP
50661-268-000
Unavailable
8
BAR, R. PILLION STEP
50710-268-010
Unavailable
9
BAR, L. PILLION STEP
50720-268-000
Unavailable
10
SWINGARM
52100-268-020Z
Unavailable
11
COLLAR, SWINGARM CENTER (NOT AVAILABLE)
52141-268-000
Unavailable
13
BUSHING, SWINGARM PIVOT (NOT AVAILABLE)
52174-268-300
Unavailable
14
FENDER, RR. *NH10M* (DARK SILVER METALLIC) (NOT AVAILABLE)
80100-268-020S
Unavailable
15
SPLASH GUARD, RR. FENDER (NOT AVAILABLE)
80121-268-010
Unavailable
16
STAY, R. RR. FENDER SPLASH GUARD (NOT AVAILABLE)
80122-268-010
Unavailable
17
STAY, L. RR. FENDER SPLASH GUARD (NOT AVAILABLE)
80123-268-010
Unavailable
18
BOLT, CHAIN ADJUSTER (NOT AVAILABLE)
90119-205-000
Unavailable
19
BOLT, SWINGARM PIVOT (NOT AVAILABLE)
90121-268-010
Unavailable
20
BOLT, RR. BRAKE PANEL STOPPER (NOT AVAILABLE) | Use from Frame SN 0010001 to 0012468
90127-268-000
Unavailable
20
BOLT, RR. BRAKE PANEL STOPPER (NOT AVAILABLE) | Use from Frame SN 0012469
90127-268-010
Unavailable
21
BOLT, RR. BRAKE STOPPER (NOT AVAILABLE) | Use from Frame SN 0010001 to 0012468
90133-268-000
Unavailable
21
BOLT, RR. STOPPER ARM (NOT AVAILABLE) | Use from Frame SN 0012469
90133-268-010
Unavailable
23
NUT, LOCK (8MM) (NOT AVAILABLE)
90349-268-000
Unavailable
25
NUT, CASTLE (8MM) (NOT AVAILABLE)
90356-205-000
Unavailable
27
TIE, CABLE (NOT AVAILABLE)
90672-268-000
Unavailable
31
BOLT, HEX. (8X12) (NOT AVAILABLE) This part replaces 92000-08012.
92100-08012-0A
Unavailable
31
BOLT, HEX. (8X12) (NOT AVAILABLE) This part replaces 92000-08012-0A.
92100-08012-0A
Unavailable
31
BOLT, HEX. (8X12) (NOT AVAILABLE)
92100-08012-0A
Unavailable
31
BOLT, HEX. (8X12) (NOT AVAILABLE) This part replaces 92200-08012-0A.
92100-08012-0A
Unavailable
32
BOLT, HEX. (12X38) (NOT AVAILABLE)
92000-12038
Unavailable
