CL175K7A MOTORCYCLE, JPN, VIN# CL175-8000001
FRAME
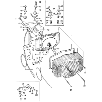
AIR CLEANER + AIR CLEANER CASE K6-K7
CARBURETOR
CAM CHAIN + TENSIONER
CAMSHAFT + VALVE
CLUTCH
CYLINDER HEAD + CYLINDER HEAD COVER
RIGHT CRANKCASE COVER
TOOLS
TRANSMISSION
CRANKSHAFT
FRONT FENDER
FRONT WHEEL
REAR WHEEL
STEERING STEM
TURN SIGNAL
KICK STARTER
STARTING MOTOR
POINTS + SPARK ADVANCER
LEFT CRANKCASE COVER
LOWER CRANKCASE
UPPER CRANKCASE
OIL PUMP + OIL FILTER
ALTERNATOR + NEUTRAL SWITCH
BATTERY + RECTIFIER
BRAKE PEDAL + MAIN STAND
CYLINDER + PISTON
DRIVE CHAIN + CASE
FRONT BRAKE + PANEL
GEARSHIFT FORK + DRUM
GEARSHIFT SPINDLE + CHANGE PEDAL
HANDLEBAR + TOP BRIDGE
LEVERS + SWITCHES + CABLES
R. CYL. HEAD SIDE COVER
REAR BRAKE + PANEL
REAR FENDER + TOOL BOX
SPEEDOMETER + TACHOMETER
WIRE HARNESS + IGNITION COIL
SEAT K6-K7
TAILLLIGHT K6-K7
FRONT FORK K7
REAR SHOCK ABSORBER K7
CL MUFFLER
CL FUEL TANK + FUEL VALVE
CL HEADLIGHT + HEADLIGHT CASE K7
Fuel Your Passion
Parts That Keep You Riding
Edit ride