Grand Touring 500/600/700/800, 2002
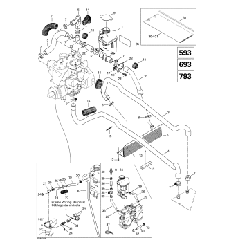
01- Cooling System (493)
01- Cooling System 600,700,800
01- Crankcase, Water Pump And Oil Pump
01- Crankshaft And Pistons (493)
01- Crankshaft And Pistons (693)
01- Cylinder, Exhaust Manifold, Reed Valve (493
01- Cylinder, Exhaust Manifold, Reed Valve (793)
01- Engine Support And Muffler
02- Air Intake System (no DPM)
02- Air Intake System (with DPM)
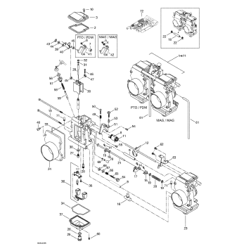
02- Carburetors
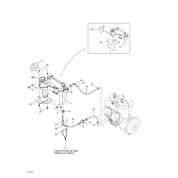
02- Fuel System
02- Oil Tank
03- Ignition
03- Magneto (12V, 290W)
04- Electric Starter
04- Rewind Starter
05- Chaincase
05- Drive Axle And Track
05- Drive Pulley
05- Driven Pulley
06- Hydraulic Brake And Belt Guard
07- Front Suspension And Ski
07- Handlebar - Adjustable (SE)
07- Steering System
08- Air Shock And Compressor (SE)
08- Front Arm
08- Rear Arm
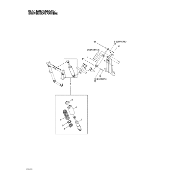
08- Rear Shocks
08- Rear Suspension
09- Bottom Pan
09- Cab, Console
09- Decals
09- Frame And Accessories
09- Luggage Rack
09- Seat, Accessories, Hitch
10- Battery And Starter
10- Cab Harness
10- Console Electrical System
Fuel Your Passion
Parts That Keep You Riding
Edit ride