Formula S Electric, 1998
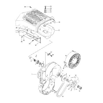
01- Cooling System Fan
01- Crankcase
01- Crankshaft And Pistons
01- Cylinder, Intake Exhaust Manifold
01- Engine Support And Muffler
02- Carburetors
02- Fuel System
02- Oil Injection System
02- Oil Tank And Support
03- Magneto
04- Electric Starter
04- Electric Starter Bracket
04- Rewind Starter
05- Chaincase
05- Drive Axle And Track
05- Driven Pulley
05- Pulleys
06- Mechanic Brake And Belt Guard
07- Front Suspension And Ski
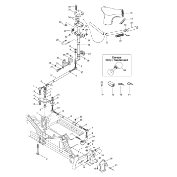
07- Steering System
08- Front Arm, Rear Suspension
08- Rear Arm, Rear Suspension
08- Rear Suspension
09- Cab, Console
09- Decals
09- Frame And Accessories
09- Seat And Accessories
10- Electrical Accessories
10- Electrical System
10- Electrical System 2
Fuel Your Passion
Parts That Keep You Riding
Edit ride