65 SX 2007
FRONT FORK, TRIPLE CLAMP
Special tools (engine)
FRONT FORK DISASSEMBLED
SHOCK ABSORBER DISASSEMBLED
EXHAUST SYSTEM
AIR FILTER
MASK, FENDERS
FRONT BRAKE CONTROL
REAR BRAKE CONTROL
FRONT BRAKE CALIPER
REAR BRAKE CALIPER
HANDLEBAR, CONTROLS
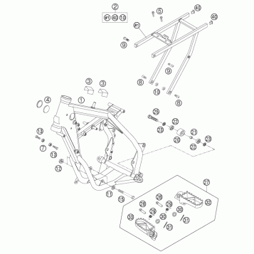
FRAME
SWING ARM
TANK, SEAT
DECAL
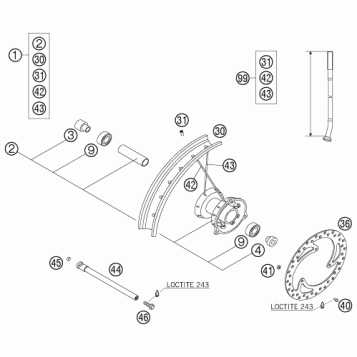
FRONT WHEEL
REAR WHEEL
ACCESSORY PACK
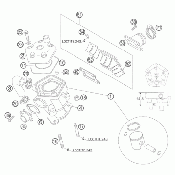
CYLINDER, CYLINDER HEAD
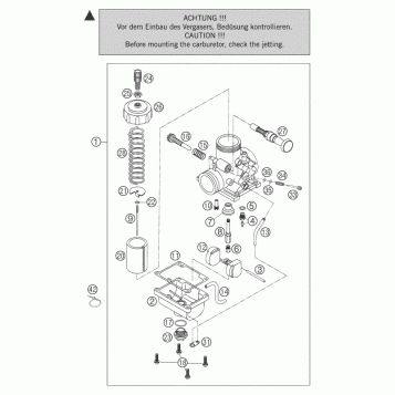
CARBURETOR
TRANSMISSION
KICK STARTER
SHIFTING MECHANISM
IGNITION SYSTEM
ENGINE CASE
CRANKSHAFT, PISTON
CLUTCH
COOLING SYSTEM
Fuel Your Passion
Parts That Keep You Riding
Edit ride