TRAIL BOSS - W857527
Air Box Assembly. (4910981098031A)
Body Assembly (4910981098002A)
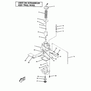
Carburetor Assembly (4910981098048A)
Clutch Cover Assembly. (4910981098034A)
Crankcase and Cylinder Assembly (4910981098042A)
Crankshaft and Piston Assembly (4910981098044A)
Drive Clutch Assembly. (4910981098035A)
Driven Clutch Assembly. (4910981098036A)
Engine and Muffler Mounting (4910981098008A)
Frame Assembly with Racks-Scrambler (4910981098006A)
Frame Assembly with Racks-Trail Boss (4910981098004A)
Front Fender-Scrambler. (4910981098010A)
Front Fork Assembly-Scrambler (4910981098020A)
Front Wheel and Brake Assembly. (4910981098030A)
Front Wheel Assembly-Trail Boss (4910981098026A)
Fuel Tank Assembly-Scrambler (4910981098014A)
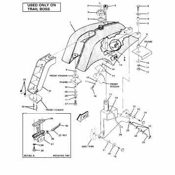
Fuel Tank Assembly-Trail Boss (4910981098012A)
Gearcase Assembly (4910981098038A)
Hand Control Cable Assembly (4910981098018A)
Head Light Assembly. (4910981098011A)
Magneto Assembly (4910981098052A)
Oil Pump Assembly (4910981098046A)
Rear Wheel Drive Assembly (4910981098028A)
Recoil Starter Assembly (4910981098054A)
Right Hand Gearcase & Brake Mounting. (4910981098037A)
Starting Motor Assembly (4910981098050A)
Steering Assembly-Scrambler (4910981098022A)
Steering Assembly-Trail Boss (4910981098016A)
Strut Assembly-Trail Boss (4910981098024A)
Swing Arm Weldment and Rear Shock Assembly (4910981098032A)
Tool Kit Assembly. (4910981098056A)
Wire Harness (4910981098040A)
Fuel Your Passion
Parts That Keep You Riding
Edit ride