SPORTSMAN X2 - A06MN50AU
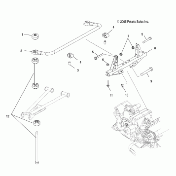
A-ARM/STRUT MOUNTING - A06MN50AU/AW (4999204069920406C08)
AIR BOX - A06MN50AU/AW (4999204069920406B05)
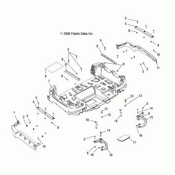
BOX FRAME - A06MN50AU/AW (4999204069920406A10)
BOX, REAR - A06MN50AU/AW (4999204069920406A08)
BRAKE CALIPER, REAR - A06MN50AU/AW (4999204069920406B10)
BRAKE LINES, FRONT - A06MN50AU/AW (49ATVBRAKELINEX2500EFI)
BRAKE, FRONT - A06MN50AU/AW (4999206649920664B04)
BUMPER HEADLIGHTS - A06MN50AU/AW (4999204069920406C07)
BUMPER MOUNTING - A06MN50AU/AW (4999204069920406A13)
CAB FOIL, REAR - A06MN50AU/AW (4999204069920406A04)
CAB, FRONT - A06MN50AU/AW (4999204069920406A12)
CAB, REAR and MAINFRAME - A06MN50AU/AW (4999204069920406A03)
CLUTCH COVER - A06MN50AU/AW (4999204069920406C13)
CONTROLS, LH MASTER CYLINDER - A06MN50AU/AW (4999204069920406B08)
CONTROLS-THROTTLE ASM/CABLE - A06MN50AU/AW (4999200139920013B07)
COOLING SYSTEM - A06MN50AU/AW (4999204069920406B02)
CRANKCASE - A06MN50AU/AW (4999201549920154C12)
CRANKSHAFT and PISTON - A06MN50AU/AW (4999205499920549D06)
CYLINDER - A06MN50AU/AW (4999204069920406D13)
DECALS - A06MN50AU/AW (4999204069920406B01)
DIFFERENTIAL - A06MN50AU/AW (4999204069920406D07)
DRIVE CLUTCH and MOUNTING - A06MN50AU/AW (4999200229920022C05)
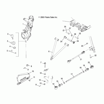
DRIVE SHAFT, FRONT - A06MN50AU/AW (4999204069920406B14)
DRIVE SHAFT, REAR - A06MN50AU/AW (4999204069920406C01)
DRIVEN CLUTCH - A06MN50AU/AW (4999200139920013C06)
ELECTRICAL - A06MN50AU/AW (4999204069920406D04)
ENGINE MOUNTING - A06MN50AU/AW (4999204069920406B04)
EXHAUST SYSTEM - A06MN50AU/AW (4999204069920406B03)
FUEL INJECTION - A06MN50AU/AW (4999200139920013D08)
FUEL TANK - A06MN50AU/AW (4999204069920406B06)
GEAR SELECTOR - A06MN50AU/AW (4999204069920406C10)
GEARCASE - A06MN50AU/AW (4999204069920406D05)
GEARCASE, INTERNAL - A06MN50AU/AW (4999204069920406D06)
HANDLEBAR and CONTROLS - A06MN50AU/AW (4999204069920406C05)
HEADLIGHT POD and SPEEDOMETER - A06MN50AU/AW (4999204069920406C06)
HOUSING, FRONT MOUNTING (DEMAND DRIVE) - A06MN50AU/AW (4999204069920406D10)
INTAKE and EXHAUST - A06MN50AU/AW (4999200099920009D09)
INTERNALS, FRONT HOUSING - A06MN50AU/AW (49ATVTRANSINTL06SP500)
MAGNETO - A06MN50AU/AW (4999204069920406E09)
MASTER CYLINDER, REAR and FOOT PEDAL - A06MN50AU/AW (4999204069920406B12)
OIL FILTER - A06MN50AU/AW (4999200099920009D13)
OIL PUMP - A06MN50AU/AW (4999200099920009D12)
OIL TANK - A06MN50AU/AW (4999200099920009B01)
OUTPUT SHAFT, FRONT - A06MN50AU/AW (4999204069920406D08)
PASSENGER SEAT, BOTTOM - A06MN50AU/AW (4999204069920406A07)
PROP SHAFT - A06MN50AU/AW (4999204069920406C02)
RECOIL STARTER - A06MN50AU/AW (4999201549920154D04)
SEAT BACK, PASSENGER - A06MN50AU/AW (4999204069920406A06)
SEATS - A06MN50AU/AW (4999204069920406A05)
SHIFT FORKS - A06MN50AU/AW (4999204069920406D09)
STARTING MOTOR - A06MN50AU/AW (4999200139920013D14)
STEERING POST - A06MN50AU/AW (4999204069920406C09)
STORAGE, FRONT - A06MN50AU/AW (4999200299920029A07)
STRUT, FRONT - A06MN50AU/AW (4999201699920169B06)
SUSPENSION, REAR - A06MN50AU/AW (4999204069920406D01)
TAILGATE - A06MN50AU/AW (4999204069920406A09)
TAILLIGHT MOUNTING - A06MN50AU/AW (4999204069920406A11)
THROTTLE BODY (If built after 2/01/06) - A06MN50AU/AW (49ATVTHROTTLEBODY500EFI)
THROTTLE BODY (If built before 2/01/06) - A06MN50AU/AW (4999204069920406E01)
TOOL KIT - A06MN50AU/AW (4999204069920406E10)
TORSION BAR - A06MN50AU/AW (4999204069920406D02)
TRANSMISSION MOUNTING - A06MN50AU/AW (4999204069920406D03)
WATER PUMP - A06MN50AU/AW (4999200139920013D10)
WHEEL DRIVE, REAR - A06MN50AU/AW (4999200099920009C08)
WHEEL, FRONT - A06MN50AU/AW (4994169416B14)
Fuel Your Passion
Parts That Keep You Riding
Edit ride