- Partiron
- OEM Parts
- Polaris
- ATV
- 2006
- SPORTSMAN X2 - A06MN50AU
SUSPENSION, REAR - A06MN50AU/AW (4999204069920406D01)
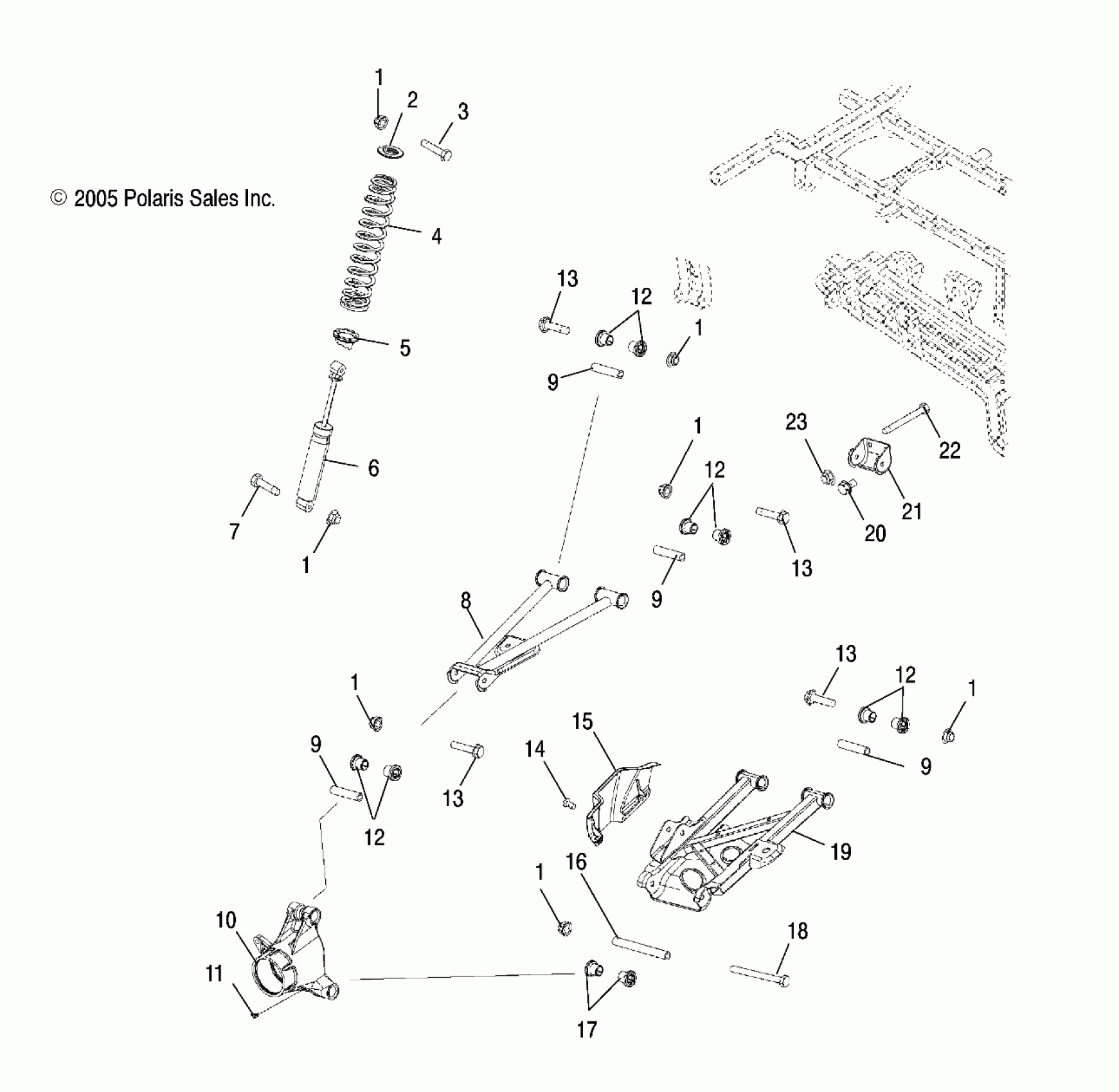
Polaris SPORTSMAN X2 - A06MN50AU SUSPENSION, REAR - A06MN50AU/AW (4999204069920406D01) Diagram
#
Description
Price
4
Spring, Compression, Rear
7043242-293
Unavailable
6
Shock, Rear
7043140
Unavailable
8
Arm, Control, Upper, LH
1015148-293
Unavailable
8
Arm, Control, Upper, RH
1015149-293
Unavailable
12
Bushing, A-Arm
5436505
Unavailable
12
Bushing, A-Arm
5436505
Unavailable
12
Bushing, A-Arm
5436505
Unavailable
12
Bushing, A-Arm
5436505
Unavailable
15
Shield, Rear, RH
5436039-070
Unavailable
17
Bushing
5436506
Unavailable
19
Arm, Control, Lower, LH
1015383-293
Unavailable
21
Bracket, Control-Arm Pivot
5249289
Unavailable
