SPORT 400L - W948540
AIR BOX ASSEMBLY Sport 400L W948540 (4927232723A014)
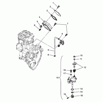
CARBURETOR Sport 400L W948540 (4927232723C012)
CLUTCH COVER ASSEMBLY Sport 400L W948540 (4927232723B012)
CONTROLS - MASTER CYLINDER/BRAKE LINE Sport 400L W948540 (4927232723B008)
CONTROLS - THROTTLE ASM./CABLE Sport 400L W948540 (4927232723B007)
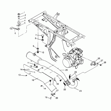
COOLING SYSTEM Sport 400L W948540 (4927232723A009)
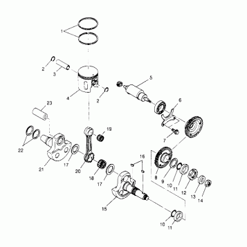
CRANKCASE and CYLINDER Sport 400L W948540 (4927232723C007)
DRIVE CLUTCH ASSEMBLY Sport 400L W948540 (4927232723B010)
DRIVEN CLUTCH ASSEMBLY Sport 400L W948540 (4927232723B011)
ELECTRICAL/TAILLIGHT ASSEMBLY Sport 400L W948540 (4927232723C005)
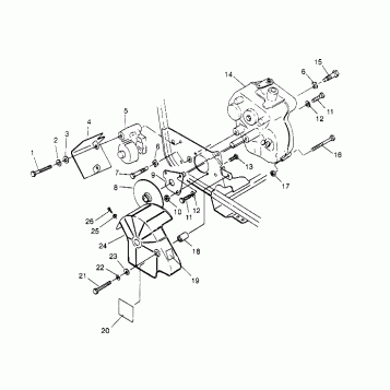
ENGINE MOUNTING Sport 400L W948540 (4927232723A008)
EXHAUST SYSTEM Sport 400L W948540 (4927232723A010)
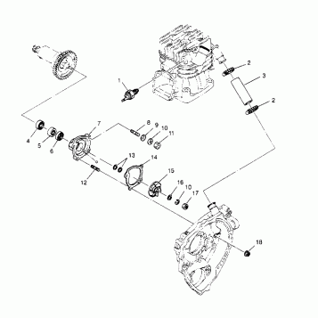
FAN MOTOR Sport 400L W948540 (4927232723D002)
FRAME ASSEMBLY Sport 400L W948540 (4927232723A007)
FRONT BRAKE ASSEMBLY Sport 400L W948540 (4927232723B003)
FRONT CAB ASSEMBLY Sport 400L W948540 (4927232723A005)
FRONT WHEEL ASSEMBLY Sport 400L W948540 (4927232723B002)
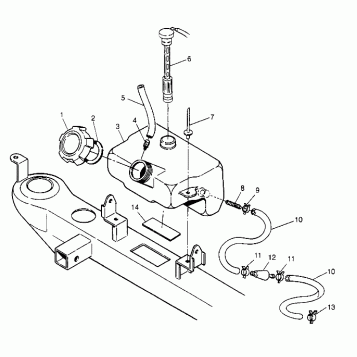
FUEL TANK ASSEMBLY Sport 400L W948540 (4927232723A011)
GEARCASE ASSEMBLY Sport 400L W948540 (4927232723C003)
GEARCASE/BRAKE MOUNTING Sport 400L W948540 (4927232723B013)
HEADLIGHT ASSEMBLY Sport 400L W948540 (4927232723A013)
MAGNETO ASSEMBLY Sport 400L W948540 (4927232723D001)
OIL PUMP Sport 400L W948540 (4927232723C011)
OIL TANK ASSEMBLY Sport 400L W948540 (4927232723A012)
PISTON and CRANKSHAFT Sport 400L W948540 (4927232723C009)
REAR BRAKE ASSEMBLY Sport 400L W948540 (4927232723B014)
REAR CAB ASSEMBLY Sport 400L W948540 (4927232723A006)
REAR WHEEL DRIVE ASSEMBLY Sport 400L W948540 (4927232723C001)
RECOIL STARTER Sport 400L W948540 (4927232723C013)
SHIFT LINKAGE ASSEMBLY Sport 400L W948540 (4927232723C002)
STARTING MOTOR Sport 400L W948540 (4927232723C014)
STEERING - HANDLEBAR Sport 400L W948540 (4927232723B004)
STEERING POST ASSEMBLY Sport 400L W948540 (4927232723B005)
STEERING/A-ARM ASSEMBLY Sport 400L W948540 (4927232723B006)
STRUT ASSEMBLY Sport 400L W948540 (4927232723B001)
SWING ARM/SHOCK MOUNTING Sport 400L W948540 (4927232723B009)
TOOL KIT ASSEMBLY Sport 400L W948540 (4927232723C006)
WATER PUMP Sport 400L W948540 (4927232723C010)
Fuel Your Passion
Parts That Keep You Riding
Edit ride