- Partiron
- OEM Parts
- Polaris
- ATV
- 1994
- SPORT 400L - W948540
ENGINE MOUNTING Sport 400L W948540 (4927232723A008)
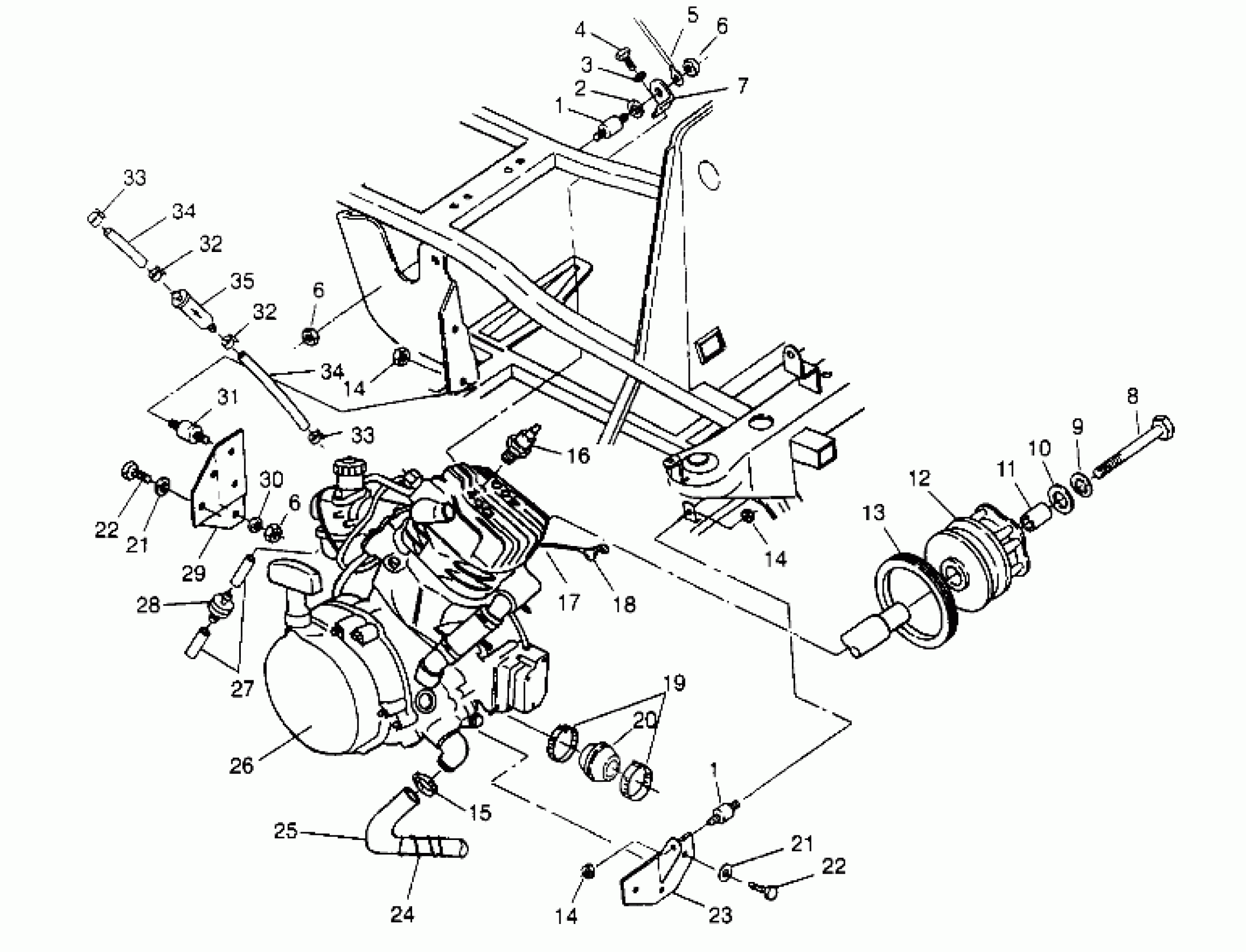
Polaris SPORT 400L - W948540 ENGINE MOUNTING Sport 400L W948540 (4927232723A008) Diagram
#
Description
Price
1
MT.,RUBBER,ENG.
3110038
Unavailable
1
MT.,RUBBER,ENG.
3110038
Unavailable
5
CABLE,GROUND/ENG.
4010067
Unavailable
7
MOUNT,ENG.TOP
5222415-067
Unavailable
12
Asm., Drive Clutch (See Pg. A24, Ref. 1)
-------
Unavailable
13
Seal, Cover Case (See Pg.A26 , Ref.37 )
-------
Unavailable
15
CLAMP,WORM DRIVE
7080547
Unavailable
17
CABLE,SOLENOID/STARTER
4010064
Unavailable
21
WASHER SPRINGLOCK(10) Substituted by 7552603
7553001
Unavailable
21
WASHER SPRINGLOCK(10) Substituted by 7552603
7553001
Unavailable
23
MOUNT,ENGINE
1040231-067
Unavailable
25
HOSE, LOWER ENG.
5410606
Unavailable
26
ENG.EC38PL-02 [No Longer Available]
1211554
Unavailable
27
FUEL LINE,1/8 ID,600 CM.
8360009-600
Unavailable
28
CHECKVALVE,VENT Substituted by 7051011
7052047
Unavailable
29
MOUNT, REAR MOTOR, BLK.
5240542-067
Unavailable
31
MOUNT,RUBBER,ENG.
3110042
Unavailable
34
FUEL LINE,3/16 ID(600 CM.)
8450042-600
Unavailable
34
FUEL LINE,3/16 ID(600 CM.)
8450042-600
Unavailable
