RM60 (1980)
AIR CLEANER
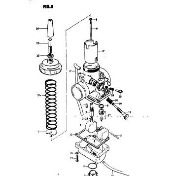
CARBURETOR
CDI UNIT - IGNITION COIL (RM60N
CDI UNIT - IGNITION COIL (RM60X)
CHAIN CASE - CHAIN TENSIONER
CLUTCH
CRANKCASE
CRANKCASE COVER
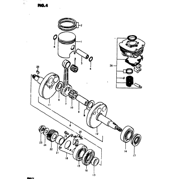
CRANKSHAFT
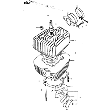
CYLINDER
FENDER
FRAME - SEAT
FRAME COVER (RM60N
FRAME COVER (RM60X)
FRONT FORK
FRONT WHEEL
FUEL COCK
FUEL TANK (RM60N
FUEL TANK (RM60X)
GEAR SHIFTING
HANDLE GRIP - HANDLE SWITCH
HANDLEBAR
KICK STARTER
MAGNETO (RM60N)
MAGNETO (RM60T)
MAGNETO (RM60X)
MUFFLER
OPTIONAL
REAR SWINGING ARM
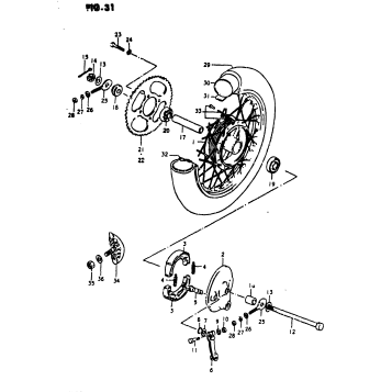
REAR WHEEL
STAND
TRANSMISSION
Fuel Your Passion
Parts That Keep You Riding
Edit ride