- Partiron
- OEM Parts
- Suzuki
- Motorcycle
- 1981
- RM60 (1981)
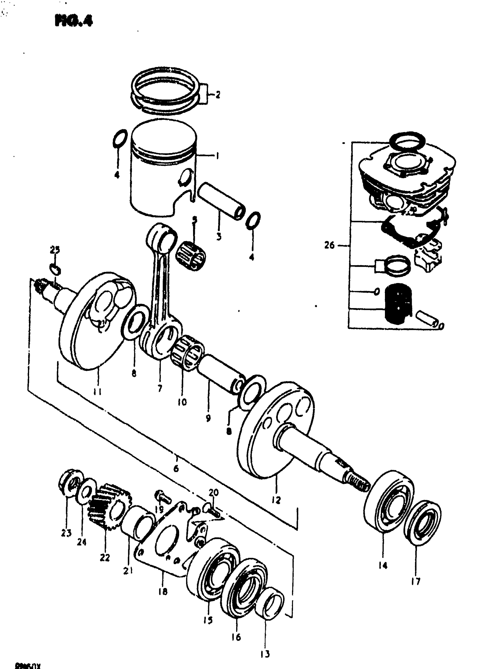
CRANKSHAFT
Suzuki RM60 (1981) CRANKSHAFT Diagram
#
Description
Price
1
PISTON (STD)
12110-46600
Unavailable
1
NO DESCRIPTION AVAILABLE This part replaces 12110-46600-050.
12103-46880-050
Unavailable
2
RING SET, PISTON (STD)
12140-46610
Unavailable
2
RING SET, PISTON (OS:0.5)
12140-46610-050
Unavailable
2
RING SET, PISTON (OS:1.0)
12140-46610-100
Unavailable
6
CRANKSHAFT ASSY | ~E.NO.104580 This part replaces 12200-46910.
12200-46911
Unavailable
6
CRANKSHAFT ASSY | E.NO.104581~
12200-46911
Unavailable
6
CRANKSHAFT ASSY | MODEL X; Includes Item(s) 7 - 13
12200-46610
Unavailable
11
CRANKSHAFT, RH
12221-46900
Unavailable
12
CRANKSHAFT, LH | ~E.NO.104580 This part replaces 12261-46901.
12261-46902
Unavailable
12
CRANKSHAFT, LH | E.NO.104581~
12261-46902
Unavailable
12
CRANKSHAFT, LH | MODEL X
12261-46610
Unavailable
15
BEARING, RH (20X47X14) This part replaces 09262-20045.
09262-20064
Unavailable
18
RETAINER, BEARING RH
12541-46900
Unavailable
22
GEAR, PRIMARY DRIVE (NT:19)
21111-46000
Unavailable
24
WASHER
09164-12016
Unavailable
26
ENGINE TOP END KIT | STD
12100-46820
Unavailable
26
ENGINE TOP END KIT | OS:0.5
12100-46820-050
Unavailable
