SL350A MOTORCYCLE, JPN, VIN# SL350-1000001
FRAME
AIR CLEANER
CAM CHAIN TENSIONER
ALTERNATOR + STARTER MOTOR
CAMSHAFT + VALVE
CLUTCH
FUEL TANK
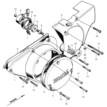
RIGHT CRANKCASE COVER
TRANSMISSION
CRANKSHAFT
MUFFLER
REAR SHOCK ABSORBER
REAR WHEEL
SEAT
SWINGARM
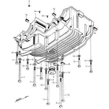
CYLINDER HEAD COVER
FRONT FORK
HEADLIGHT + SPEEDOMETER
KICK STARTER
WIRE HARNESS + BATTERY
LOWER CRANKCASE
UPPER CRANKCASE
STEERING STEM + FRONT FENDER
CYLINDER + PISTON
HANDLEBAR + TOP BRIDGE
LEFT CARBURETOR
RIGHT CARBURETOR
TAILLIGHT + REAR FENDER
CABLE + HORN & LIGHTING SWITCH
CAM CASE + CYLINDER HEAD
FRONT WHEEL + PANEL
LEFT CRANKCASE COVER + REAR COVER
OIL FILTER + OIL DRUM
SHIFT DRUM + SHIFT ARM
STEP + PEDAL
TOOL BOX + TOOLS
Fuel Your Passion
Parts That Keep You Riding
Edit ride