- Partiron
- OEM Parts
- Honda
- MOTORCYCLE
- Models With No Year
- SL350A MOTORCYCLE, JPN, VIN# SL350-1000001
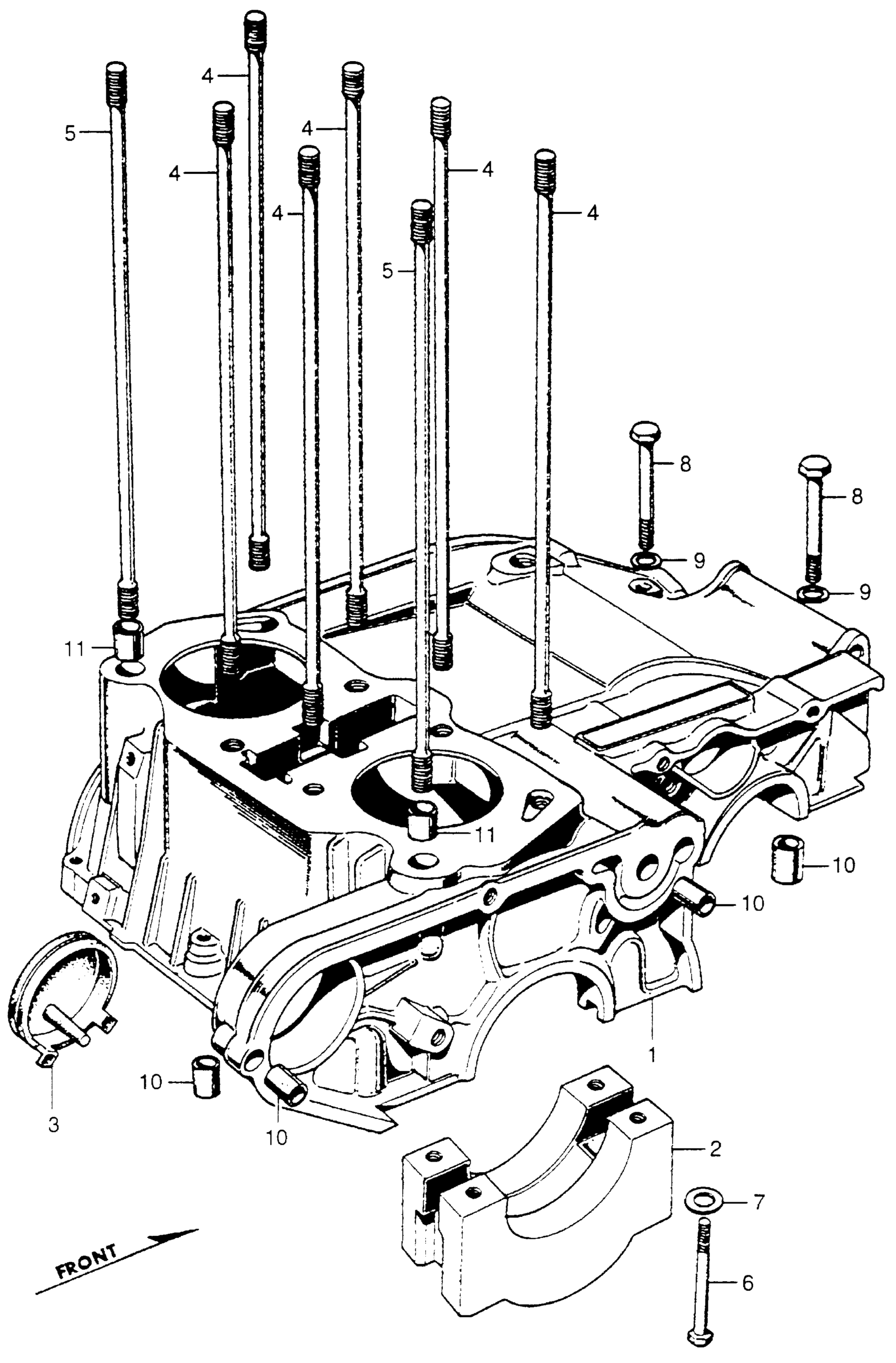
UPPER CRANKCASE
Honda SL350A MOTORCYCLE, JPN, VIN# SL350-1000001 UPPER CRANKCASE Diagram
#
Description
Price
1
CRANKCASE (UPPER) (NOT AVAILABLE) This part replaces 11100-287-100.
11100-287-120
Unavailable
1
CRANKCASE (UPPER) (NOT AVAILABLE) This part replaces 11100-287-110.
11100-287-120
Unavailable
1
CRANKCASE (UPPER) (NOT AVAILABLE)
11100-287-120
Unavailable
2
HOLDER, CRANK CENTER BEARING (NOT AVAILABLE)
11202-286-000
Unavailable
3
PLUG, STARTER MOTOR HOLE | (Optional).
32951-310-810
Unavailable
4
BOLT, CYLINDER STUD (NOT AVAILABLE)
90033-286-020
Unavailable
5
BOLT A, CYLINDER STUD (NOT AVAILABLE) | Use up to Engine SN 1025694 This part replaces 90034-286-000.
90034-286-020
Unavailable
5
BOLT A, CYLINDER STUD (NOT AVAILABLE) | Use up to Engine SN 1025694 This part replaces 90034-286-010.
90034-286-020
Unavailable
5
BOLT A, CYLINDER STUD (NOT AVAILABLE)
90034-286-020
Unavailable
6
BOLT, HEX. (8X71) (NOT AVAILABLE)
90083-292-000
Unavailable
8
BOLT, HEX. (6X71) (NOT AVAILABLE)
92000-06071
Unavailable
11
PIN, CYLINDER KNOCK
91356-286-000
Unavailable
11
PIN, DOWEL (10X18) (NOT AVAILABLE)
94301-11180
Unavailable
