CL175K4A MOTORCYCLE, JPN, VIN# CL175-5000001
FRAME
AIR CLEANER + AIR CLEANER CASE K4-K5
CARBURETOR
CAM CHAIN + TENSIONER
CAMSHAFT + VALVE
CLUTCH
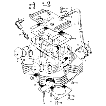
CYLINDER HEAD + CYLINDER HEAD COVER
RIGHT CRANKCASE COVER
TOOLS
TRANSMISSION
CRANKSHAFT
FRONT FENDER
FRONT WHEEL
REAR WHEEL
STEERING STEM
TURN SIGNAL
KICK STARTER
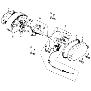
STARTING MOTOR
POINTS + SPARK ADVANCER
LEFT CRANKCASE COVER
LOWER CRANKCASE
UPPER CRANKCASE
OIL PUMP + OIL FILTER
ALTERNATOR + NEUTRAL SWITCH
BATTERY + RECTIFIER
BRAKE PEDAL + MAIN STAND
CYLINDER + PISTON
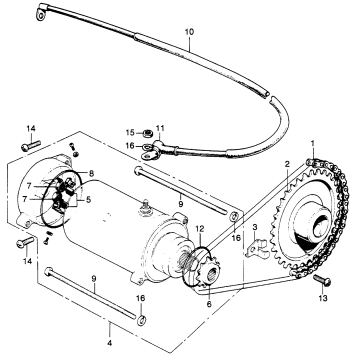
DRIVE CHAIN + CASE
FRONT BRAKE + PANEL
GEARSHIFT FORK + DRUM
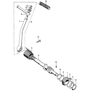
GEARSHIFT SPINDLE + CHANGE PEDAL
HANDLEBAR + TOP BRIDGE
LEVERS + SWITCHES + CABLES
R. CYL. HEAD SIDE COVER
REAR BRAKE + PANEL
REAR FENDER + TOOL BOX
REAR SHOCK ABSORBER K4-K6
SEAT K4-K5
SPEEDOMETER + TACHOMETER
TAILLIGHT K4
WIRE HARNESS + IGNITION COIL
CL MUFFLER
CL FUEL TANK + FUEL VALVE
CL HEADLIGHT + HEADLIGHT CASE K4-K6
CL175 FRONT FORK K4-K6
Fuel Your Passion
Parts That Keep You Riding
Edit ride