CA105TA MOTORCYCLE, JPN, VIN# CA105T-100001
FRAME
AIR CLEANER + TOOLS
CARBURETOR
CAMSHAFT + VALVE
CRANKSHAFT + PISTON
HANDLEBAR
FRONT WHEEL
MUFFLER
REAR SHOCK ABSORBER
REAR WHEEL
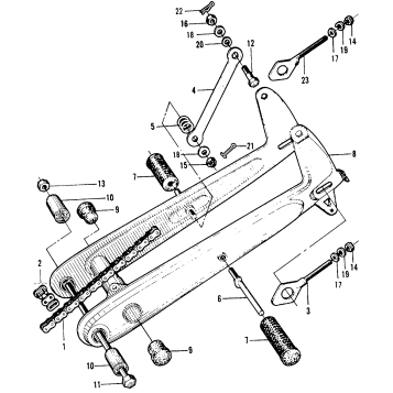
SWINGARM
TAILLIGHT
CYLINDER + CYLINDER HEAD
FUEL TANK + SEAT
CLUTCH + RIGHT CRANKCASE COVER
DIMMER SWITCH
GEAR CHANGE + RIGHT CRANKCASE
HEADLIGHT + BATTERY + WIRE HARNESS
POINTS + LEFT CRANKCASE COVER
SHIFT DRUM
STOP SWITCH
TRANSMISSION + LEFT CRANKCASE
FRONT FORK I
FRONT FORK II
MAIN STAND + STEP BAR
Fuel Your Passion
Parts That Keep You Riding
Edit ride