- Partiron
- OEM Parts
- Honda
- MOTORCYCLE
- Models With No Year
- CA105TA MOTORCYCLE, JPN, VIN# CA105T-100001
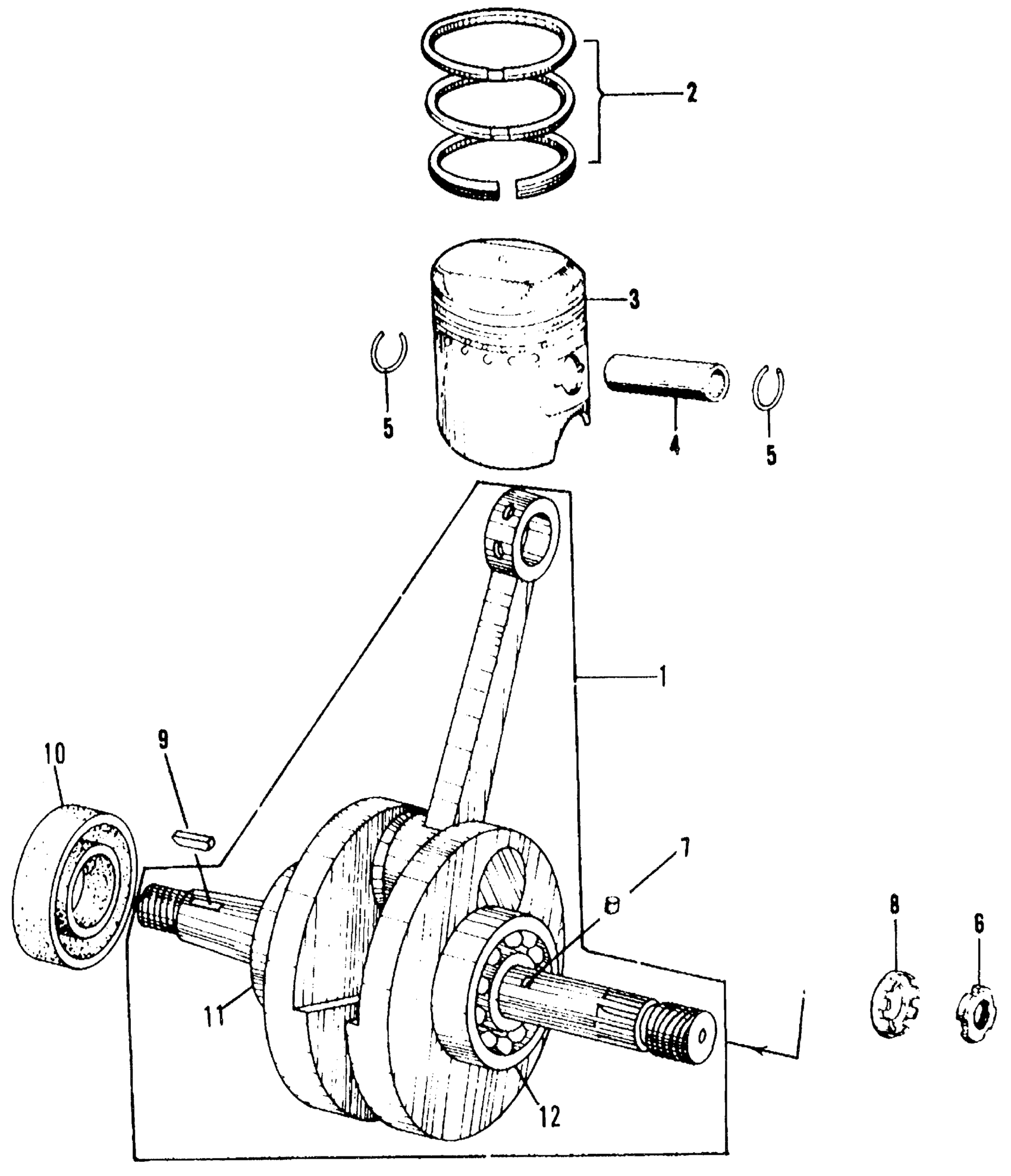
CRANKSHAFT + PISTON
Honda CA105TA MOTORCYCLE, JPN, VIN# CA105T-100001 CRANKSHAFT + PISTON Diagram
#
Description
Price
1
CRANKSHAFT ASSY. (NOT AVAILABLE)
13000-001-120
Unavailable
2
RING SET, PISTON (STD)
13010-002-000
Unavailable
2
RING SET, PISTON (STD) This part replaces 13011-002-000.
13010-002-000
Unavailable
2
RING SET, PISTON (OS 0.50)
13031-002-000
Unavailable
2
RING SET, PISTON (0.75) (NOT AVAILABLE)
13041-002-000
Unavailable
2
RING SET, PISTON (1.00) (NOT AVAILABLE)
13051-002-000
Unavailable
3
PISTON (OS 0.25) (NOT AVAILABLE)
13102-002-000
Unavailable
3
PISTON (OS 0.50) (NOT AVAILABLE)
13103-002-000
Unavailable
3
PISTON (0.75)
13104-002-000
Unavailable
3
PISTON (1.00)
13105-002-000
Unavailable
4
PIN, PISTON (NOT AVAILABLE)
13111-001-010
Unavailable
7
PIN, KNOCK GEAR (NOT AVAILABLE)
90719-001-020
Unavailable
8
WASHER, LOCK (14MM)
90431-001-000
Unavailable
10
OIL SEAL (17X34X7)
91204-001-000
Unavailable
