- Partiron
- OEM Parts
- Honda
- MOTORCYCLE
- Models With No Year
- CA105TA MOTORCYCLE, JPN, VIN# CA105T-100001
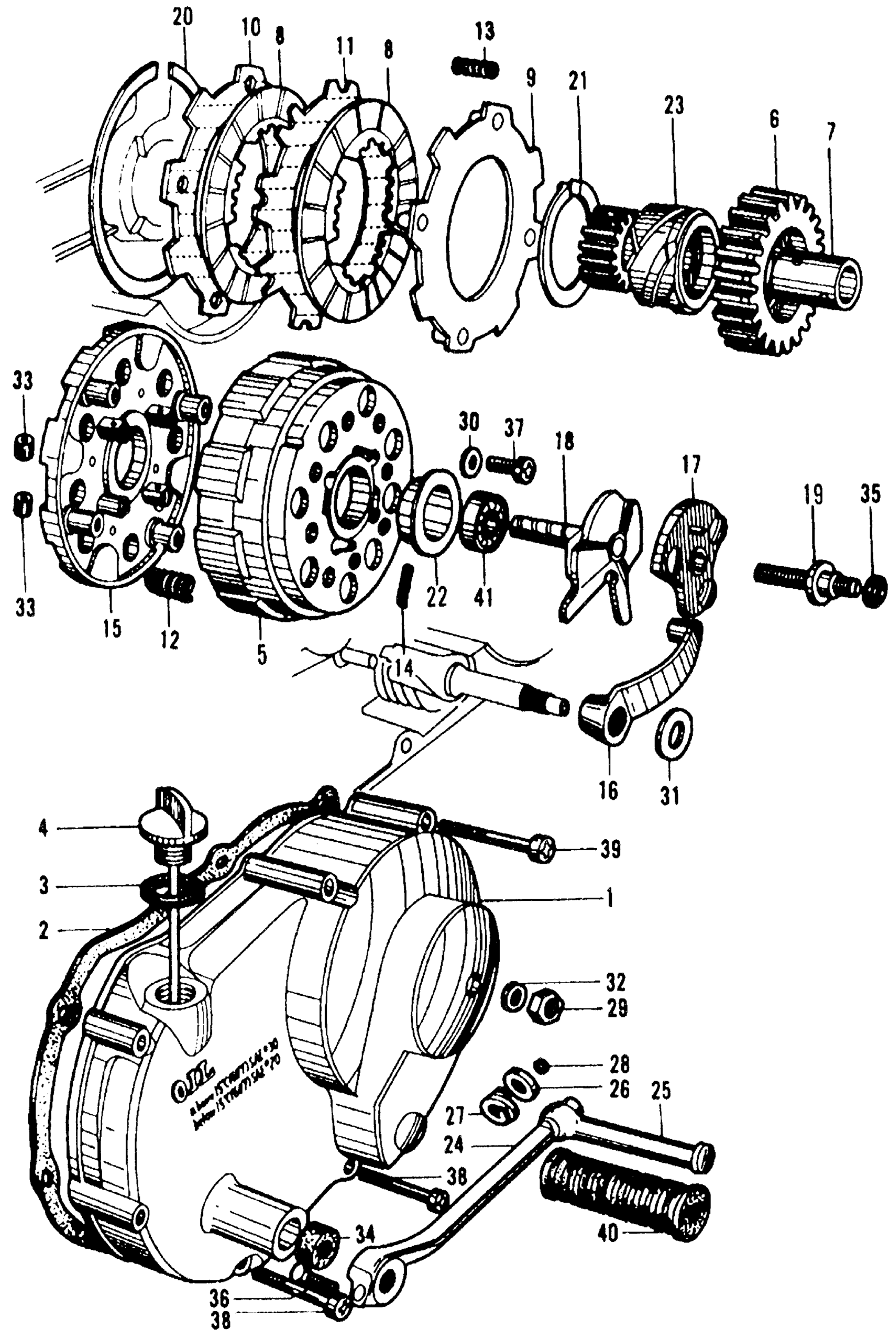
CLUTCH + RIGHT CRANKCASE COVER
Honda CA105TA MOTORCYCLE, JPN, VIN# CA105T-100001 CLUTCH + RIGHT CRANKCASE COVER Diagram
#
Description
Price
1
COVER, R. CRANKCASE (NOT AVAILABLE)
11330-001-100
Unavailable
2
GASKET, R. This part replaces 11394-001-000.
11394-001-306
Unavailable
3
GASKET, OIL CAP (NOT AVAILABLE)
15619-001-000
Unavailable
4
DIPSTICK, OIL (NOT AVAILABLE)
15650-001-020
Unavailable
5
CLUTCH (OUTER) (NOT AVAILABLE)
22100-001-080
Unavailable
6
CENTER, CLUTCH
22121-001-090
Unavailable
7
GUIDE, CLUTCH CENTER
22131-001-040
Unavailable
11
PLATE C, CLUTCH
22331-041-000
Unavailable
12
SPRING, CLUTCH (NOT AVAILABLE)
22401-001-010
Unavailable
13
SPRING, CLUTCH FREE
22411-001-010
Unavailable
15
PLATE, DRIVE (NOT AVAILABLE)
22510-001-080
Unavailable
16
LEVER, CLUTCH
22811-001-030
Unavailable
17
LIFTER, CLUTCH
22830-001-010
Unavailable
18
PLATE, CLUTCH CAM (NOT AVAILABLE)
22836-001-010
Unavailable
19
BOLT, CLUTCH ADJUSTING (NOT AVAILABLE)
22846-001-020
Unavailable
21
RING SET (36.5MM) (NOT AVAILABLE)
22902-001-020
Unavailable
22
SHELL, BEARING (NOT AVAILABLE)
22931-001-010
Unavailable
23
GEAR, DRIVE (NOT AVAILABLE)
23111-001-100
Unavailable
24
ARM, KICK STARTER (NOT AVAILABLE)
28301-001-030
Unavailable
25
PEDAL, KICK STARTER This part replaces 28302-001-000.
28302-126-770
Unavailable
25
PEDAL, KICK STARTER
28302-126-770
Unavailable
29
NUT (8MM) (NOT AVAILABLE)
90281-001-000
Unavailable
31
WASHER (10.5MM) (NOT AVAILABLE)
90489-001-000
Unavailable
32
WASHER (8.5MM) (NOT AVAILABLE)
90492-001-000
Unavailable
33
ROLLER (8X10) (NOT AVAILABLE)
91102-001-010
Unavailable
