CA102A MOTORCYCLE, JPN, VIN# CA102-100001
FRAME
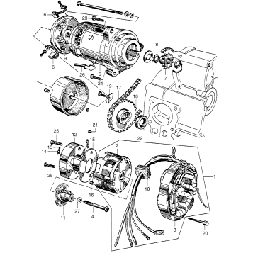
ALTERNATOR + STARTING MOTOR
CARBURETOR
FRONT FORK + FRONT FENDER
CRANKSHAFT + PISTON
HANDLEBAR
FRONT SHOCK ABSORBER
FRONT WHEEL
REAR SHOCK ABSORBER
REAR WHEEL
CYLINDER + CYLINDER HEAD
SWINGARM + CHAIN CASE
FUEL TANK + SEAT
CLUTCH + RIGHT CRANKCASE COVER
DIMMER SWITCH
GASKET SET
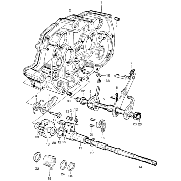
GEAR CHANGE + RIGHT CRANKCASE
HEADLIGHT + BATTERY + WIRE HARNESS
MAIN STAND + MUFFLER
POINTS + LEFT CRANKCASE COVER
SHIFT DRUM
STOP SWITCH
TRANSMISSION + LEFT CRANKCASE
CAMSHAFT + VALVE + OIL PUMP
FRONT COVER + AIR CLEANER + TOOL
SEAT + PILLION SEAT
TAILLIGHT II
TURN SIGNAL + TAILLIGHT I
Fuel Your Passion
Parts That Keep You Riding
Edit ride