- Partiron
- OEM Parts
- Honda
- MOTORCYCLE
- Models With No Year
- CA102A MOTORCYCLE, JPN, VIN# CA102-100001
HEADLIGHT + BATTERY + WIRE HARNESS
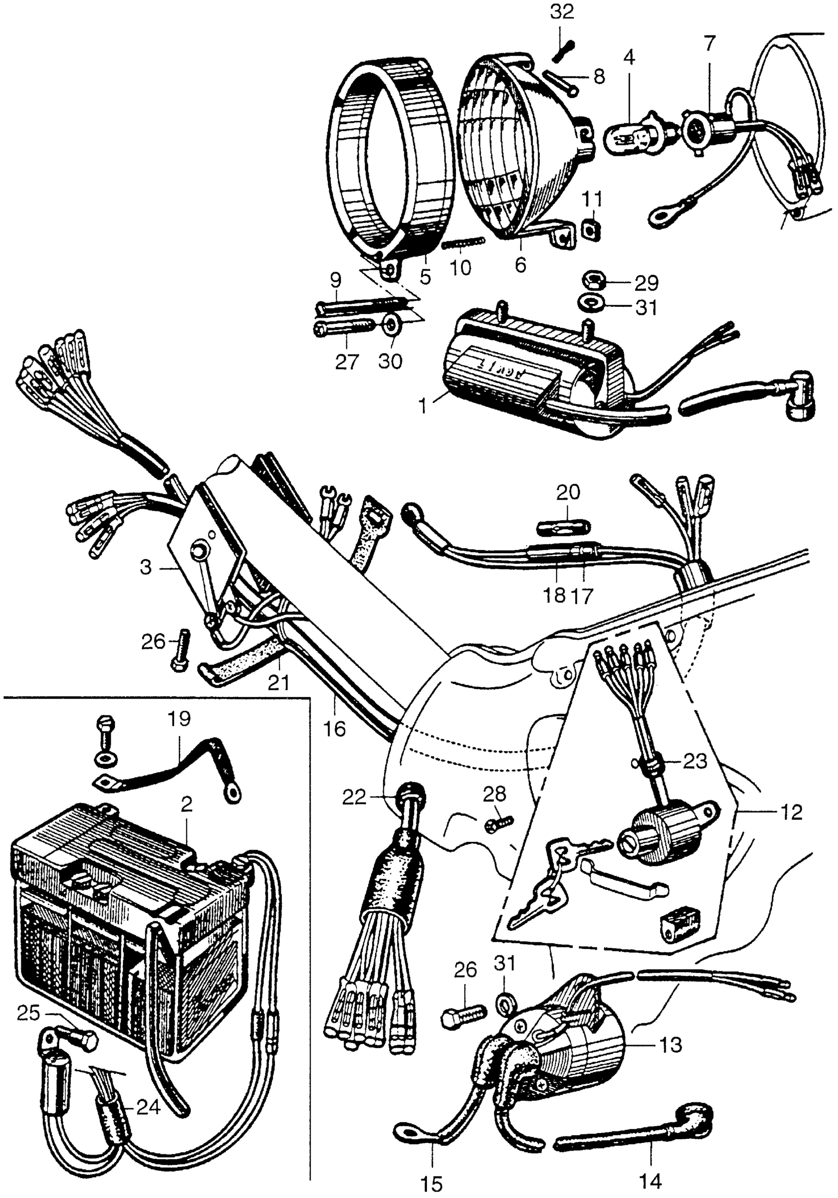
Honda CA102A MOTORCYCLE, JPN, VIN# CA102-100001 HEADLIGHT + BATTERY + WIRE HARNESS Diagram
#
1
COIL ASSY., IGNITION (NOT AVAILABLE) This part replaces 30500-003-004.
30500-039-405
Unavailable
1
COIL ASSY., IGNITION (NOT AVAILABLE) This part replaces 30500-039-004.
30500-039-405
Unavailable
1
COIL ASSY., IGNITION (NOT AVAILABLE)
30500-039-405
Unavailable
2
BATTERY ASSY. (NOT AVAILABLE)
31500-003-000
Unavailable
3
RECTIFIER, SELENIUM (NOT AVAILABLE)
31700-003-000
Unavailable
4
BULB, HEADLIGHT (6V20/20W) (STANLEY) (NOT AVAILABLE) This part replaces 34901-003-003.
34901-003-671
Unavailable
4
BULB, HEADLIGHT (6V20/20W) (STANLEY) (NOT AVAILABLE)
34901-003-671
Unavailable
5
RIM, HEADLIGHT (NOT AVAILABLE)
33101-005-000
Unavailable
6
LENS, HEADLIGHT
33121-005-000
Unavailable
7
SOCKET, HEADLIGHT (NOT AVAILABLE)
33130-022-000
Unavailable
8
PIN, HOLDER (NOT AVAILABLE)
33125-001-013
Unavailable
9
SCREW, HEADLIGHT BEAM ADJ. (STANLEY) (NOT AVAILABLE)
33102-001-003
Unavailable
10
SPRING, HEADLIGHT BEAM ADJUSTING (NOT AVAILABLE)
33107-001-020
Unavailable
11
NUT, HEADLIGHT BEAM ADJ.
33117-001-003
Unavailable
12
SWITCH KIT, COMBINATION (NOT AVAILABLE) This part replaces 35010-003-000.
35010-033-000
Unavailable
12
SWITCH KIT, COMBINATION (NOT AVAILABLE)
35010-033-000
Unavailable
13
SWITCH ASSY., MAGNETIC
35850-003-000
Unavailable
13
SWITCH ASSY., MAGNETIC This part replaces 35850-003-154.
35850-003-000
Unavailable
14
CABLE, STARTER BATTERY
35852-003-000
Unavailable
15
CABLE, STARTER MOTOR (NOT AVAILABLE)
32401-003-000
Unavailable
16
WIRE HARNESS (NOT AVAILABLE) This part replaces 32100-003-000.
32100-003-620
Unavailable
16
WIRE HARNESS (NOT AVAILABLE)
32100-003-620
Unavailable
17
CONNECTOR B, FUSE (NOT AVAILABLE)
32106-253-010
Unavailable
18
CONNECTOR A, FUSE (NOT AVAILABLE)
32112-253-010
Unavailable
19
CABLE, BATTERY GROUND (NOT AVAILABLE) This part replaces 32601-003-000.
32601-086-690
Unavailable
19
CABLE, BATTERY GROUND (NOT AVAILABLE)
32601-086-690
Unavailable
23
GROMMET, SWITCH CABLE
32987-001-000
Unavailable
24
TUBE, CONNECTOR RUBBER (NOT AVAILABLE)
32171-001-000
Unavailable
25
BOLT, TURN SIGNAL RELAY MOUNT
90157-001-000
Unavailable
32
PIN, COTTER (1.2MM) This part replaces 94201-12100.
94201-12200
Unavailable
32
PIN, COTTER (1.2MM) This part replaces 94201-12150.
94201-12200
Unavailable
32
PIN, COTTER (1.2MM)
94201-12200
Unavailable
