- Partiron
- OEM Parts
- Honda
- MOTORCYCLE
- Models With No Year
- CA102A MOTORCYCLE, JPN, VIN# CA102-100001
FUEL TANK + SEAT
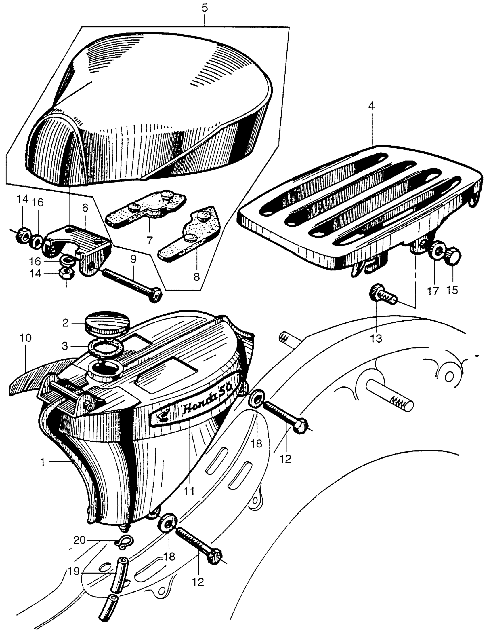
Honda CA102A MOTORCYCLE, JPN, VIN# CA102-100001 FUEL TANK + SEAT Diagram
#
1
TANK, FUEL (NOT AVAILABLE) | Use from Frame SN 0010001 to B056640
17500-001-030D
Unavailable
1
TANK, FUEL (NOT AVAILABLE) | Use from Frame SN 0010001 to B056640 This part replaces 17500-001-030Z.
17500-001-030D
Unavailable
1
TANK, FUEL (NOT AVAILABLE) | Use from Frame SN B056641
17500-001-050Z
Unavailable
2
CAP, FUEL FILLER This part replaces 17620-001-000.
17620-171-020
Unavailable
2
CAP, FUEL FILLER This part replaces 17620-041-000.
17620-171-020
Unavailable
2
CAP, FUEL FILLER This part replaces 17620-096-701.
17620-171-020
Unavailable
2
CAP, FUEL FILLER This part replaces 17620-096-702.
17620-171-020
Unavailable
2
CAP, FUEL FILLER This part replaces 17620-171-000.
17620-171-020
Unavailable
2
CAP, FUEL FILLER This part replaces 17620-171-010.
17620-171-020
Unavailable
4
CARRIER, LUGGAGE (NOT AVAILABLE)
81200-001-810Z
Unavailable
5
SEAT *NH1L* (BLACK) (NOT AVAILABLE)
77100-001-010A
Unavailable
5
SEAT *NH1L* (BLACK) (NOT AVAILABLE) This part replaces 77100-001-010G.
77100-001-010A
Unavailable
6
BRACKET, SEAT *NH1* (BLACK) (NOT AVAILABLE)
77300-001-020B
Unavailable
7
RUBBER, R. SEAT STOPPER This part replaces 77151-001-000.
77151-041-000
Unavailable
7
RUBBER, R. SEAT STOPPER
77151-041-000
Unavailable
8
RUBBER, L. SEAT STOPPER This part replaces 77152-001-000.
77152-041-000
Unavailable
8
RUBBER, L. SEAT STOPPER
77152-041-000
Unavailable
9
PIN, SEAT HINGE
90101-001-010
Unavailable
10
EMBLEM, R. (NOT AVAILABLE)
87121-001-640
Unavailable
11
EMBLEM, L. (NOT AVAILABLE)
87122-001-810
Unavailable
19
TUBE (5.5X350) This part replaces 15761-045-000.
95001-55000-40
Unavailable
19
TUBE (5.5X350) This part replaces 16968-205-222.
95001-55000-40
Unavailable
19
TUBE (5.5X350) This part replaces 16968-205-322.
95001-55000-40
Unavailable
19
TUBE (5.5X350) This part replaces 17645-259-010.
95001-55000-40
Unavailable
19
TUBE (5.5X350) This part replaces 95001-50000.
95001-55000-40
Unavailable
19
TUBE (5.5X350) This part replaces 95001-50000-90.
95001-55000-40
Unavailable
19
TUBE (5.5X350) This part replaces 95001-50100.
95001-55000-40
Unavailable
19
TUBE (5.5X350) This part replaces 95001-50110.
95001-55000-40
Unavailable
19
TUBE (5.5X350) This part replaces 95001-50180.
95001-55000-40
Unavailable
19
TUBE (5.5X350) This part replaces 95001-50200.
95001-55000-40
Unavailable
19
TUBE (5.5X350) This part replaces 95001-50220.
95001-55000-40
Unavailable
19
TUBE (5.5X350) This part replaces 95001-50250.
95001-55000-40
Unavailable
19
TUBE (5.5X350) This part replaces 95001-50450.
95001-55000-40
Unavailable
19
TUBE (5.5X350) This part replaces 95001-50620.
95001-55000-40
Unavailable
19
TUBE (5.5X350) This part replaces 95001-50830.
95001-55000-40
Unavailable
