660 SMC 2006
Special tools (engine)
FRONT FORK, TRIPLE CLAMP
PRO LEVER LINKING
FRONT FORK DISASSEMBLED
HANDLEBAR, CONTROLS
FRAME
SIDE / CENTER STAND
SHOCK ABSORBER
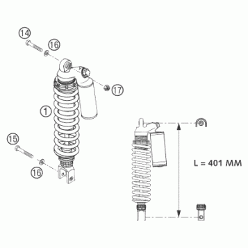
SHOCK ABSORBER DISASSEMBLED
SWING ARM
EXHAUST SYSTEM
MAIN SILENCER
AIR FILTER
TANK, SEAT
FRONT WHEEL
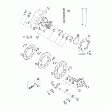
REAR WHEEL
ACCESSORIES
FRONT BRAKE CONTROL
REAR BRAKE CONTROL
FRONT BRAKE CALIPER
REAR BRAKE CALIPER
LIGHTING SYSTEM
BALANCER SHAFT
ENGINE VENT
CARBURETOR
SECONDARY AIR SYSTEM SAS
TRANSMISSION I - MAIN SHAFT
KICK STARTER
WATER PUMP
COOLING SYSTEM
VALVE DRIVE
MASK, FENDERS
ENGINE CASE
CYLINDER
CRANKSHAFT, PISTON
CLUTCH
TRANSMISSION II - COUNTERSHAFT
SHIFTING MECHANISM
TIMING DRIVE
CYLINDER HEAD
LUBRICATING SYSTEM
IGNITION SYSTEM
DECAL
WIRING HARNESS
INSTRUMENTS / LOCK SYSTEM
Fuel Your Passion
Parts That Keep You Riding
Edit ride