GTX 4-TEC, LTD Supercharged, 2003
01- Cooling System
01- Crankshaft, Pistons And Balance Shaft
01- Cylinder Head
01- Engine Block
01- Engine Support And Air Intake
01- Muffler
01- Oil Separator
01- Supercharger
02- Air Intake Manifold
02- Fuel System
03- PTO Cover And Magneto
05- Propulsion System
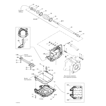
05- Pump System
05- Reverse
07- Off Power Assisted Steering
07- Steering System
09- Decals
09- Front Cover
09- Hull
09- Hull And Body
09- Seat
10- Electrical Accessories
10- Electrical System
10- Engine Harness
10- Steering And Cluster Harness
10- Wiring Harness
Fuel Your Passion
Parts That Keep You Riding
Edit ride