GTS, 5883, 1999
01- Cooling System
01- Crankcase, Rotary Valve
01- Crankshaft And Pistons
01- Cylinder, Exhaust Manifold
01- Engine Support And Muffler
02- Air Intake System
02- Carburetor (single, Mikuni)
02- Fuel System
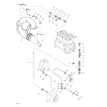
02- Oil Injection System
02- Oil Injection System, Oil Pump, Rotary Valve
03- Magneto
04- Starter
05- Drive System
05- Propulsion System
05- Reverse
07- Steering System
09- Accessories
09- Body
09- Decals
09- Front Storage Compartment
09- Seat And Engine Cover
10- Electrical Accessories
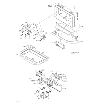
10- Electrical Box
10- Electrical Harness
10- Electrical System
10- Typical Electrical Connections
Fuel Your Passion
Parts That Keep You Riding
Edit ride