GTS, 5818, 1997
01- Cooling System
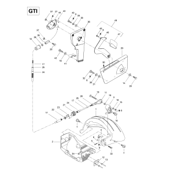
01- Crankcase, Rotary Valve
01- Crankshaft And Pistons
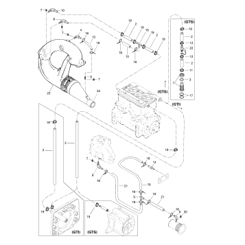
01- Cylinder, Exhaust Manifold
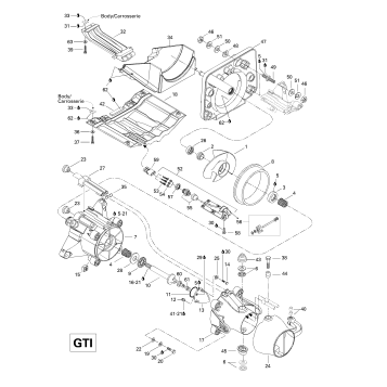
01- Engine Support And Muffler
02- Air Intake System
02- Carburetor (single, Mikuni)
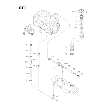
02- Fuel System (GTI)
02- Fuel System (GTS)
02- Oil Injection System (GTI)
02- Oil Injection System (GTS)
02- Oil Injection System, Oil Pump, Rotary Valve
03- Magneto
04- Starter
05- Drive System
05- Propulsion System (GTI)
05- Propulsion System (GTS)
05- Reverse (GTI)
05- Reverse (GTS)
07- Steering System (GTI)
07- Steering System (GTS)
09- Accessories
09- Body (GTI)
09- Body (GTS)
09- Decals (GTI)
09- Decals (GTS)
09- Front Storage Compartment (GTI)
09- Front Storage Compartment (GTS)
09- Seat And Engine Cover (GTI)
09- Seat And Engine Cover (GTS)
10- Electrical Accessories
10- Electrical Box (GTS)
10- Electrical Harness (GTS)
10- Electrical System (GTI)
10- Electrical System (GTS)
10- Rear Electrical Box (GTI)
10- Typical Electrical Connections
Fuel Your Passion
Parts That Keep You Riding
Edit ride