- Partiron
- OEM Parts
- Sea-doo
- Watercraft
- 1997
- GTI/GTS
- GTI, 5641, 1997
Steering System (GTI)
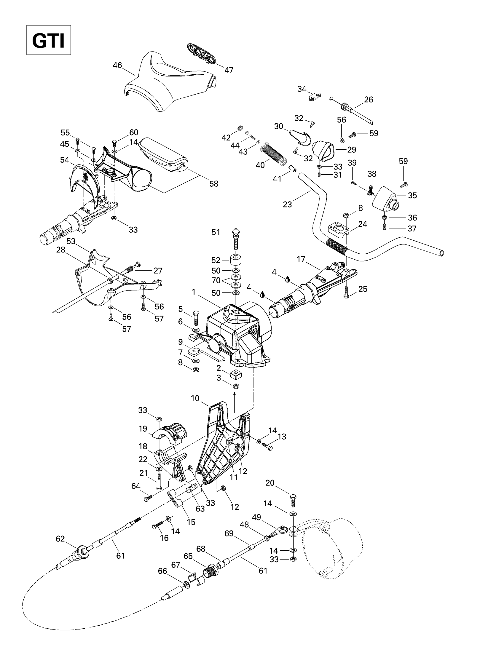
Sea-doo GTI, 5641, 1997 Steering System (GTI) Diagram
#
1
STEERING SUPPORT - Call your local BRP dealership | Includes 59 to 61
277001471
Unavailable
2
NUT HOUSING ASS'Y - Call your local BRP dealership | Includes 60 to 61
271000598
Unavailable
3
HEX. ELASTIC NUT M10 - Call your local BRP dealership
232501600
Unavailable
4
Synthetic Grease, 400 G
293550010
Unavailable
9
GASKET - Call your local BRP dealership
293250171
Unavailable
10
CABLE SUPPORT - Call your local BRP dealership | Includes 56 to 58
277001522
Unavailable
15
SUPPORT THRUST - Call your local BRP dealership This part replaces 277000162.
277001528
Unavailable
17
Steering Stem
277000562400
Unavailable
18
Steering Stem Arm | Includes 41 to 42
277000518
Unavailable
19
Arm Thrust | Includes 43 to 44
277000519
Unavailable
23
Handle bar
277000305
Unavailable
24
STEERING CLAMP - Call your local BRP dealership
277000142
Unavailable
25
HEX. SCREW M8 X 50 - Call your local BRP dealership
207085060
Unavailable
26
THROTTLE CABLE - Call your local BRP dealership
277000614
Unavailable
27
Choke Cable | Includes 12 - 14.
270000262
Unavailable
28
NUT-HEXAGONAL HI-LEX - Call your local BRP dealership
211100030
Unavailable
29
Throttle Handle Housing
277000285
Unavailable
30
Throttle Handle
277000214
Unavailable
31
Set Screw M6 x 12
211000039
Unavailable
32
PIN - Call your local BRP dealership
277000381
Unavailable
34
TAB LOCK - Call your local BRP dealership
277000279
Unavailable
35
LH HANDLE HOUSING ASS'Y - Call your local BRP dealership | Includes 35 - 38.
277000036
Unavailable
35
LH HANDLE HOUSING - Call your local BRP dealership | GTI 5641.
277000379
Unavailable
37
Set Screw M6 x 12
211000039
Unavailable
38
Retainer Plate
277000219
Unavailable
39
SCREW-TAPP.PAN HD.PH.DIN.7981C-A2 - Call your local BRP dealership
209631360
Unavailable
41
Not Available As Spare Part - Friction Washer
Unavailable
44
PLASTITE SCREW HEX. M6.81 X 45 - Call your local BRP dealership | (7448 Up to S/N v000708)
243164560
Unavailable
46
Upper Steering Cover
277000632
Unavailable
47
Steering Cover Plug | GTI 5641.
277000647
Unavailable
49
BALL JOINT - Call your local BRP dealership
277000153
Unavailable
51
Stud Latch
291000987
Unavailable
52
Rubber Pad
293830025
Unavailable
53
Lower Steering Cover (Yellow) | GTI 5641.
277000633
Unavailable
54
PLATE - Call your local BRP dealership
277000549
Unavailable
55
HEX. FLANGED SCREW 1/4-20 X 1/2 - Call your local BRP dealership
211000036
Unavailable
58
Pad-Handle | GTI 5641.
277000689
Unavailable
59
PHILLIPS SCREW M3.9 X 9.5 - Call your local BRP dealership
209630960
Unavailable
61
STEERING CABLE - Call your local BRP dealership | Includes 1 - 5.
277000526
Unavailable
62
KNOB ADJUSTER - Call your local BRP dealership
277000167
Unavailable
63
Joint
277000646
Unavailable
66
RUBBER WASHER - Call your local BRP dealership
211100009
Unavailable
68
Boot, Large
277000473
Unavailable
69
Boot, Small
277000466
Unavailable
70
RUBBER WASHER - Call your local BRP dealership
291000628
Unavailable
