GSX RFI, 5637/5638/5652/5829, 1999
01- Cooling System
01- Crankcase, Rotary Valve
01- Cylinder, Exhaust Manifold
01- Engine Support And Muffler
02- Air Intake System
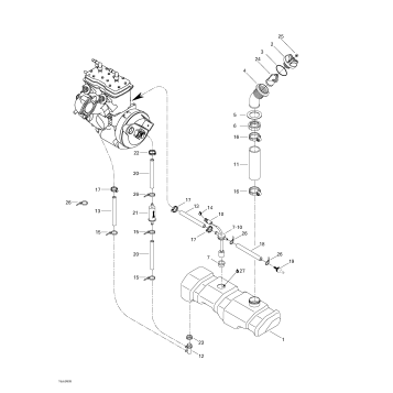
02- Fuel System
02- Oil Injection System
03- Magneto, Oil Pump
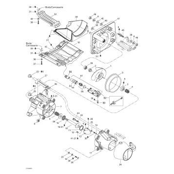
04- Starter
05- Drive System
05- Propulsion System
05- Trim
07- Steering System
09- Accessories
09- Body
09- Decals
09- Front Storage Compartment
09- Seat And Engine Cover
10- Electrical Harness
10- Electronic Module And Electrical Accessories
10- Rear Electrical Box
10- Typical Electrical Connections
Fuel Your Passion
Parts That Keep You Riding
Edit ride