Freestyle Back Country 550F, 2007
01- Crankcase
01- Crankshaft, Piston And Cylinder
01- Cylinder, Exhaust Manifold And Reed Valve 2
01- Fan & Cylinder Cowls 2
02- Oil Pump
03- Magneto
04- Rewind Starter
01- Cooling System
01- Engine And Engine Support
01- Exhaust System
02- Air Intake System
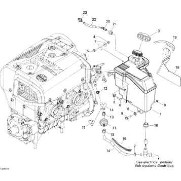
02- Carburetor
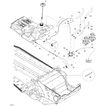
02- Fuel System
02- Oil System
04- Electric Starter
05- Drive System
05- Pulley System
06- Hydraulic Brakes
07- Front Suspension And Ski
07- Steering System
08- Front Arm
08- Rear Arm
08- Rear Suspension
08- Rear Suspension Shocks
09- Bottom Pan
09- Decals
09- Frame
09- Frame and Components
09- Hood
09- Luggage Rack
09- Seat 1
09- Utilities
10- Battery And Starter
10- Electrical Accessories
10- Electrical Harness
10- Electrical Harness Hood
10- Steering Wiring Harness
Fuel Your Passion
Parts That Keep You Riding
Edit ride