Big Boss 6x6 400L - N97AE38D
A-ARM/STRUT MOUNTING BIG BOSS 6X6 400L W97AE38A (4940814081B011)
AIR BOX BIG BOSS 6X6 400L W97AE38A (4940814081B002)
BUMPER/RACK MOUNTING BIG BOSS 6X6 400L W97AE38A (4940814081A007)
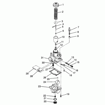
CARBURETOR BIG BOSS 6X6 400L W97AE38A (4940814081D011)
CENTER TIGHTENER BIG BOSS 6X6 400L W97AE38A (4940814081C003)
CENTER TIGHTENER BIG BOSS 6X6 400L W97AE38A and NORWEGIAN BIG BOSS 6X6 400L (4940814081C03A)
CLUTCH COVER BIG BOSS 6X6 400L W97AE38A (4940814081C007)
CONTROLS - MASTER CYLINDER/BRAKE LINE BIG BOSS 6X6 400L W97AE38A (4940814081B013)
CONTROLS - RH MASTER CYLINDER/BRAKE LINE BIG BOSS 6X6 400L W97AE38A (4940814081B014)
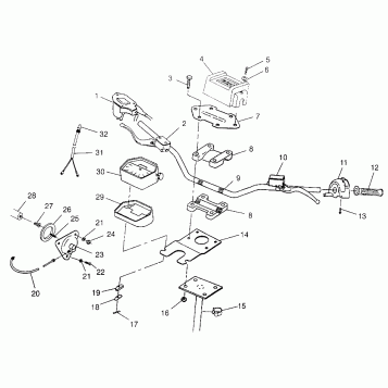
CONTROLS - THROTTLE ASM./CABLE BIG BOSS 6X6 400L W97AE38A (4940814081B012)
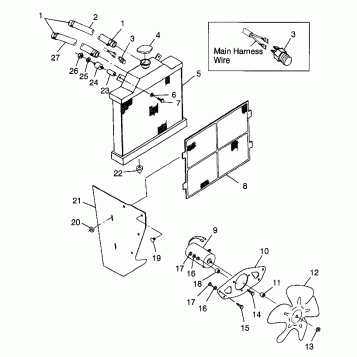
COOLING SYSTEM BIG BOSS 6X6 400L W97AE38A (4940814081A011)
CRANKCASE and CYLINDER BIG BOSS 6X6 400L W97AE38A (4940814081D007)
CV JOINT - BTB BIG BOSS 6X6 400L W97AE38A (4940814081B005)
DECALS BIG BOSS 6X6 400L W97AE38A (4940814081A009)
DRIVE CLUTCH BIG BOSS 6X6 400L W97AE38A (4940814081C009)
DRIVEN CLUTCH BIG BOSS 6X6 400L W97AE38A (4940814081C010)
ELECTRICAL/TAILLIGHT BIG BOSS 6X6 400L W97AE38A (4940814081D001)
ENGINE MOUNTING BIG BOSS 6X6 400L W97AE38A (4940814081A010)
EXHAUST SYSTEM BIG BOSS 6X6 400L W97AE38A (4940814081A012)
FOOT PEDAL and PARKING BRAKE NORWEGIAN BIG BOSS 6X6 400L N97AE38D (4940814081D01A)
FRONT BRAKE BIG BOSS 6X6 400L W97AE38A (4940814081B008)
FRONT CAB BIG BOSS 6X6 400L W97AE38A (4940814081A005)
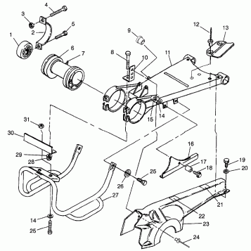
FRONT DRIVE BIG BOSS 6X6 400L W97AE38A (4940814081B003)
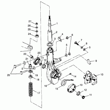
FRONT STRUT BIG BOSS 6X6 400L W97AE38A (4940814081B006)
FRONT TIGHTENER BIG BOSS 6X6 400L W97AE38A (4940814081B004)
FRONT WHEEL BIG BOSS 6X6 400L W97AE38A (4940814081B007)
FUEL TANK BIG BOSS 6X6 400L W97AE38A (4940814081A013)
GEAR SELECTOR BIG BOSS 6X6 400L W97AE38A (4940814081D005)
GEARCASE BIG BOSS 6X6 400L W97AE38A (4940814081D003)
GEARCASE/BRAKE and CHAIN COVER MOUNTING BIG BOSS 6X6 400L W97AE38A (4940814081C008)
HEADLIGHT BIG BOSS 6X6 400L W97AE38A (4940814081B001)
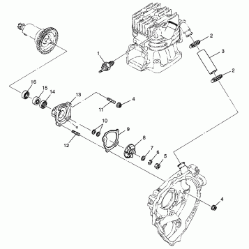
MAGNETO BIG BOSS 6X6 400L W97AE38A (4940814081D014)
MIDDLE AXLE BRAKE BIG BOSS 6X6 400L W97AE38A (4940814081C001)
MIDDLE DRIVE BIG BOSS 6X6 400L W97AE38A (4940814081C002)
MIDDLE WHEEL BIG BOSS 6X6 400L W97AE38A (4940814081C004)
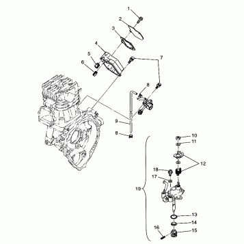
OIL PUMP BIG BOSS 6X6 400L W97AE38A (4940814081D010)
OIL TANK BIG BOSS 6X6 400L W97AE38A (4940814081A014)
PISTON and CRANKSHAFT BIG BOSS 6X6 400L W97AE38A (4940814081D006)
REAR BED MOUNTING BIG BOSS 6X6 400L W97AE38A (4940814081A008)
REAR BRAKE BIG BOSS 6X6 400L W97AE38A (4940814081C011)
REAR CAB BIG BOSS 6X6 400L W97AE38A (4940814081A006)
REAR STRUT STABILIZER BIG BOSS 6X6 400L W97AE38A (4940814081C013)
REAR WHEEL DRIVE BIG BOSS 6X6 400L W97AE38A (4940814081C012)
RECOIL STARTER BIG BOSS 6X6 400L W97AE38A (4940814081D012)
STARTING MOTOR BIG BOSS 6X6 400L W97AE38A (4940814081D013)
STEERING - HANDLEBAR BIG BOSS 6X6 400L W97AE38A (4940814081B009)
STEERING POST BIG BOSS 6X6 400L W97AE38A (4940814081B010)
SWING ARM WELDMENT (REAR) BIG BOSS 6X6 400L W97AE38A (4940814081C014)
SWING ARM/GUARD MOUNTING BIG BOSS 6X6 400L W97AE38A (4940814081C006)
SWING ARM/SHOCK MOUNTING BIG BOSS 6X6 400L W97AE38A (4940814081C005)
TOOL KIT BIG BOSS 6X6 400L W97AE38A (4940814081D002)
WATER PUMP BIG BOSS 6X6 400L W97AE38A (4940814081D009)
Fuel Your Passion
Parts That Keep You Riding
Edit ride