- Partiron
- OEM Parts
- Polaris
- ATV
- 1997
- BIG BOSS 6X6 400L - W97AE38A
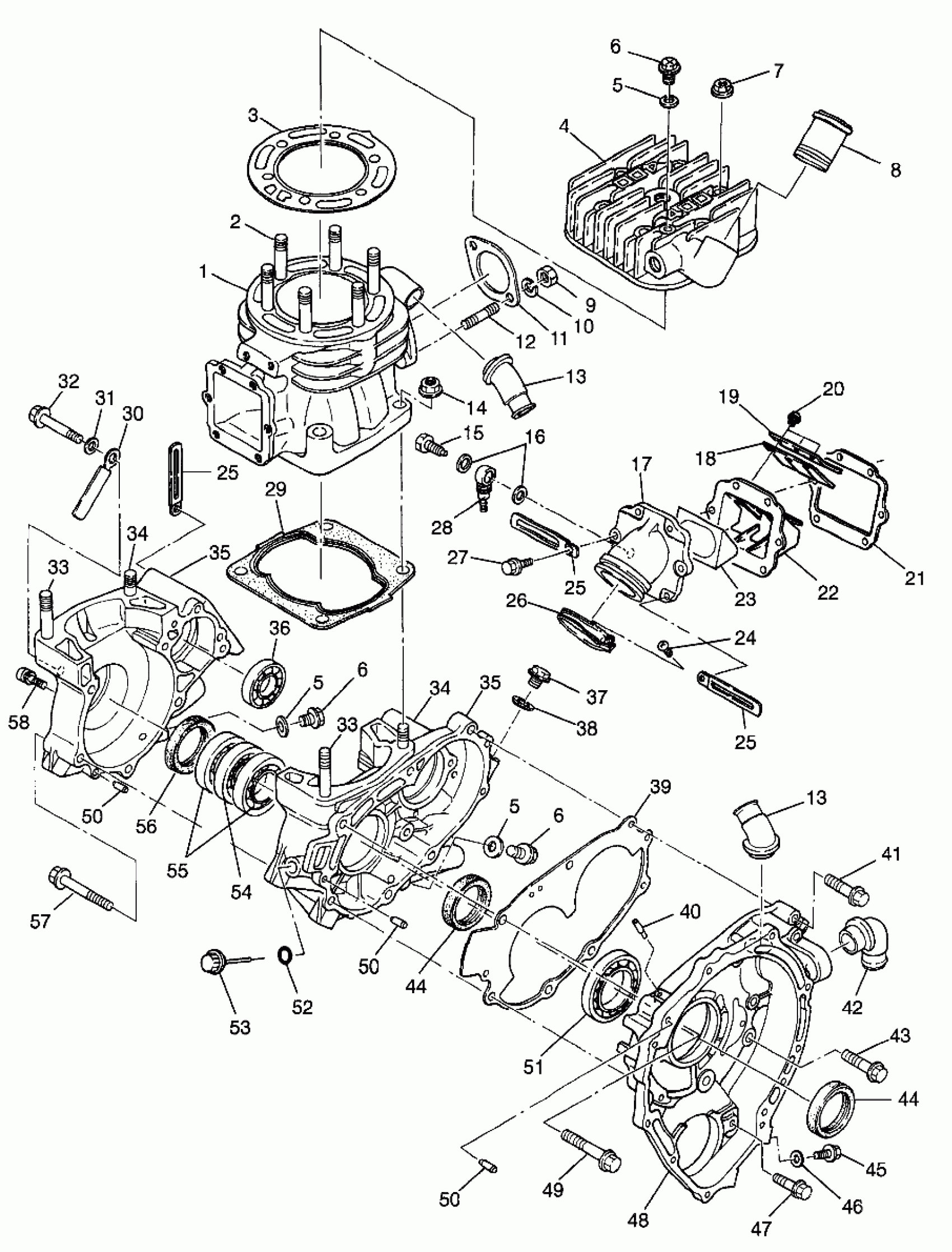
CRANKCASE and CYLINDER BIG BOSS 6X6 400L W97AE38A (4940814081D007)
Polaris BIG BOSS 6X6 400L - W97AE38A CRANKCASE and CYLINDER BIG BOSS 6X6 400L W97AE38A (4940814081D007) Diagram
#
1
CYLINDER Substituted by 3086753 (Incl. 2, 12, 13)
3085276
Unavailable
2
Stud
3084138
Unavailable
3
GASKET,HEAD (Head)
3084731
Unavailable
4
HEAD, CYLINDER Substituted by 3086755 (Incl. 8)
3084730
Unavailable
6
PLUG, DRAIN
3083767
Unavailable
6
PLUG, DRAIN
3083767
Unavailable
6
PLUG, DRAIN
3083767
Unavailable
8
Pipe, Water
3083452
Unavailable
9
NUT(10)
3080285
Unavailable
11
GASKET,EXHAUST,NA(10) Substituted by 3086757
3084439
Unavailable
12
STUD,(10)
3085326
Unavailable
13
PIPE, 1 ELBOW Substituted by 3086746
3084129
Unavailable
13
PIPE, 1 ELBOW Substituted by 3086746
3084129
Unavailable
15
BOLT-BANJO
3083137
Unavailable
16
WASHER(10) Substituted by 7555998
3083138
Unavailable
17
ADAPTER, CARB.
3085277
Unavailable
18
VALVE, REED(10)
3240064
Unavailable
19
Stopper
3240065
Unavailable
20
SCREW&WASHER Substituted by 3084565
3240066
Unavailable
21
GASKET, REED VALVE,(10)
3084148
Unavailable
22
VALVE ASM., REED (Incl. 18-20)
3084147
Unavailable
26
BAND ASM. (Incl. 24)
3084144
Unavailable
27
BOLT, FLANGE Substituted by 3086759
3084145
Unavailable
28
VALVE, CHECK
3083894
Unavailable
30
Clamp
3083384
Unavailable
33
Stud
3084118
Unavailable
33
Stud
3084118
Unavailable
35
CRANKCASE ASM. Substituted by 3086740 (Incl. 5, 6, 32-36, 44, 47, 50, 54-57)
3084774
Unavailable
35
CRANKCASE ASM. Substituted by 3086740 (Incl. 5, 6, 32-36, 44, 47, 50, 54-57)
3084774
Unavailable
36
Bearing, Ball
3084123
Unavailable
37
PLUG Substituted by 3086749
3083453
Unavailable
39
GASKET,(CASE 3) Substituted by 3086748
3084727
Unavailable
40
Pipe, Breather
3084128
Unavailable
41
BOLT, FLANGE Substituted by 3086751
3084177
Unavailable
42
PIPE, 2 ELBOW Substituted by 3086747
3084130
Unavailable
43
BOLT, FLANGE ,(10)
3084435
Unavailable
44
Seal, Oil
3084120
Unavailable
44
Seal, Oil
3084120
Unavailable
45
PLUG
3085152
Unavailable
47
Bolt, Flange
3084126
Unavailable
48
CRANKCASE 3 Substituted by 3087149 (Incl. 13, 40, 42, 44, 45, 46, 50, 51)
3085278
Unavailable
49
Bolt, Flange
3084134
Unavailable
51
Bearing, Ball
3084131
Unavailable
52
O-Ring
3084733
Unavailable
53
GAUGE, OIL Substituted by 3085517
3084732
Unavailable
56
Seal, Oil
3084725
Unavailable
57
BOLT, FLANGE Substituted by 3086742
3084125
Unavailable
