AN400AM3 (2023)
2ND AIR
AIR CLEANER
BATTERY
BRAKE LOCK LEVER
CAM CHAIN
CAMSHAFT/VALVE
CRANK BALANCER
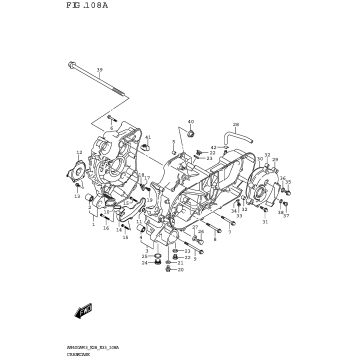
CRANKCASE
CRANKCASE COVER
CRANKSHAFT
CYLINDER
CYLINDER HEAD
CYLINDER HEAD COVER
ELECTRICAL
EVAP SYSTEM
FOOTBOARD
FRAME
FRAME COVER
FRONT BOX
FRONT BRAKE HOSE
FRONT CALIPER
FRONT COMBINATION LAMP
FRONT FENDER
FRONT FORK DAMPER
FRONT LEG SHIELD
FRONT MASTER CYLINDER
FRONT WHEEL
FUEL PUMP
FUEL TANK (E28)
FUEL TANK (E33)
GASKET SET
HANDLE LEVER
HANDLE SWITCH
HANDLEBAR
HELMET BOX
HYDRAULIC UNIT
LABEL (E28)
LABEL (E33)
LEG SHIELD BRACE
LOCK SET
MAGNETO
METER PANEL
MUFFLER
OIL PUMP
OPTIONAL
OPTIONAL (COVER,SET KNUCKLE)
PILLION RIDER HANDLE
RADIATOR
RADIATOR HOSE
REAR BRAKE HOSE
REAR CALIPER
REAR COMBINATION LAMP
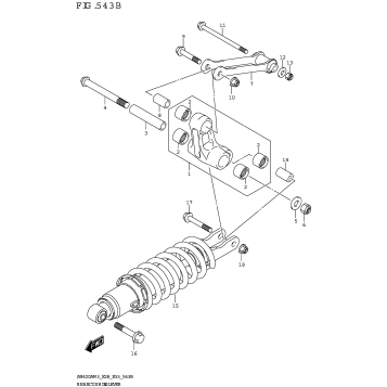
REAR CUSHION LEVER
REAR FENDER
REAR MASTER CYLINDER
REAR SWINGINGARM
REAR WHEEL
SEAT
SEAT SUPPORT BRACKET
SIDE LEG SHIELD
SPEEDOMETER (E28)
SPEEDOMETER (E33)
STAND
STARTER CLUTCH
STARTING MOTOR
STEERING STEM
THROTTLE BODY
TRANSMISSION (1)
TRANSMISSION (2)
WATER PUMP
WINDSCREEN
WIRING HARNESS
Fuel Your Passion
Parts That Keep You Riding
Edit ride