ALT125 (1985)
AIR CLEANER
CAM CHAIN
CAM SHAFT - VALVE
CARBURETOR
CHAIN CASE
CLUTCH
CRANKCASE
CRANKCASE COVER
CRANKSHAFT
CYLINDER
CYLINDER HEAD
ELECTRICAL
FOOTREST
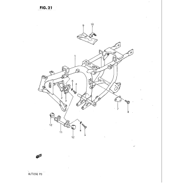
FRAME
FRAME COVER
FRONT FORK
FRONT WHEEL
FUEL TANK
GEAR SHIFTING
HANDLE SWITCH
HANDLEBAR - CABLE
HEADLAMP
HEADLAMP HOUSING - FRONT FENDER (MODEL F)
HEADLAMP HOUSING - FRONT FENDER (MODEL G)
MAGNETO
MUFFLER
ODOMETER
OIL PUMP - FUEL PUMP
OPTIONAL
REAR BRAKE
REAR FENDER
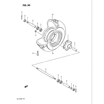
REAR WHEEL
RECOIL STARTER
SEAT
TAIL LAMP
TENSIONER
TRANSMISSION
Fuel Your Passion
Parts That Keep You Riding
Edit ride