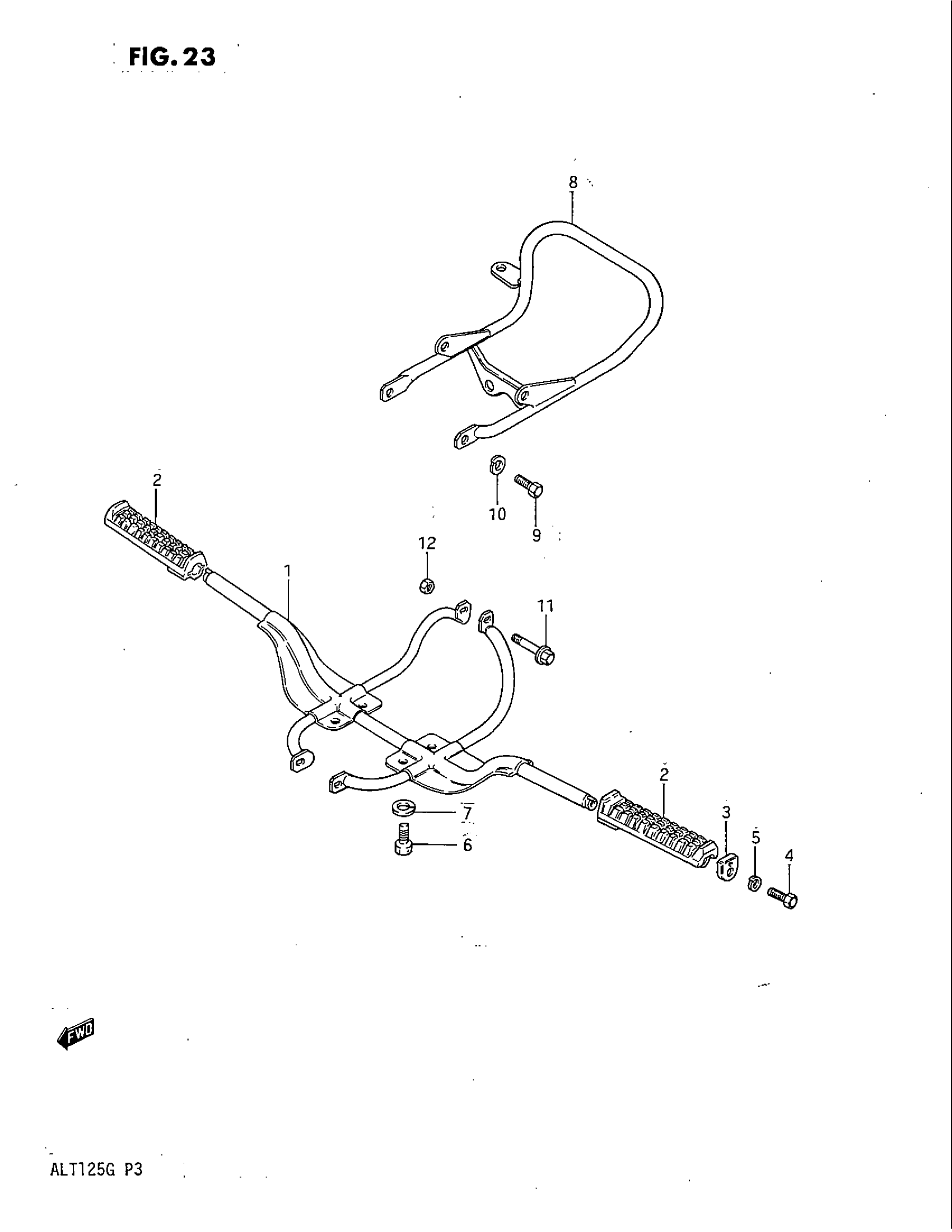
Suzuki ALT125 (1986) FOOTREST Diagram
#
Description
Price
1
BAR, FRONT FOOTREST
43510-24300
Unavailable
2
RUBBER
43551-24400
Unavailable
3
STOPPER
43553-18900
Unavailable
8
GRIP, REAR
43980-24320
Unavailable
