A04JD50AA ATP 500 4X4 - A04JD50AA/AB/CA
A-ARM/STRUT MOUNTING - A04JD50AA/AB/CA (4977487748B10)
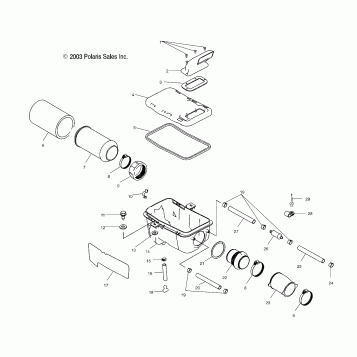
AIR BOX - A04JD50AA/AB/CA (4985938593B06)
BOX FRAME - A04JD50AA/AB/CA (4985938593A04)
CARBURETOR - A04JD50AA/AB/CA (4995189518D11)
CLUTCH COVER - A04JD50AA/AB/CA (4995189518C12)
CONTROLS-FRONT BRAKE - A04JD50AA/AB/CA (4985938593C02)
CONTROLS-MASTER CYLINDER/FRONT BRAKE LINE - A04JD50AA/AB/CA (4977487748B14)
CONTROLS-THROTTLE ASM. - A04JD50AA/AB/CA (4995189518B12)
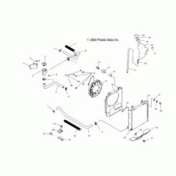
COOLING SYSTEM - A04JD50AA/AB/CA (4985938593A14)
CRANKCASE - A04JD50AA/AB/CA (4999201549920154C12)
CRANKSHAFT AND PISTON - A04JD50AA/AB/CA (4987288728D07)
CYLINDER - A04JD50AA/AB/CA (4985938593D09)
DECALS - A04JD50AA/AB/CA (4985938593A13)
DRIVE CLUTCH - A04JD50AA/AB/CA (4995189518C10)
DRIVEN CLUTCH - A04JD50AA/AB/CA (4985938593C11)
ELECTRICAL/TAILLIGHT - A04JD50AA/AB/CA (4985938593C09)
ENGINE MOUNTING - A04JD50AA/AB/CA (4985938593B01)
EXHAUST SYSTEM - A04JD50AA/AB/CA (4995189518B05)
FOOTWELLS - A04JD50AA/AB/CA (4995189518A08)
FRAME EXTENSION and MAIN FRAME - A04JD50AA/AB/CA (4985938593A03)
FRONT BRAKE CALIPER - A04JD50AA/AB/CA (4977487748C05)
FRONT CAB - A04JD50AA/AB/CA (4985938593A10)
FRONT DRIVE SHAFT - A04JD50AA/AB/CA (4987438743B02)
FRONT HOUSING - A04JD50AA/AB/CA (4987258725D01)
FRONT PROP SHAFT - A04JD50AA/AB/CA (4977487748B08)
FRONT RACK and BUMPER MOUNTING - A04JD50AA/AB/CA (4985938593A11)
FRONT STORAGE BOX - A04JD50AA/AB/CA (4985938593A12)
FRONT STRUT - A04JD50AA/AB/CA (4985938593B11)
FRONT WHEEL - A04JD50AA/AB/CA (4985938593B09)
FUEL PUMP - A04JD50AA/AB/CA (4999200099920009D11)
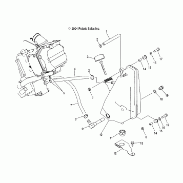
FUEL TANK and CARBURETOR MOUNTING - A04JD50AA/AB/CA (4985938593B03)
GEAR SELECTOR - A04JD50AA/AB/CA (4995189518D04)
GEARCASE - A04JD50AA/AB/CA (4977487748D01)
HANDLEBAR and HEADLIGHT POD - A04JD50AA/AB/CA (4985938593C05)
INTAKE and EXHAUST - A04JD50AA/AB/CA (4999200099920009D09)
MAGNETO - A04JD50AA/AB/CA (4985938593E06)
OIL FILTER - A04JD50AA/AB/CA (4999200099920009D13)
OIL PUMP - A04JD50AA/AB/CA (4999200099920009D12)
OIL TANK - A04JD50AA/AB/CA (4995189518B14)
REAR AXLE - A04JD50AA/AB/CA (4977487748D05)
REAR BOX - A04JD50AA/AB/CA (4985938593A05)
REAR BRAKE - A04JD50AA/AB/CA (4977487748C01)
REAR BRAKE - A04JD50AA/AB/CA (4977487748C06)
REAR CAB - A04JD50AA/AB/CA (4985938593A07)
REAR CARRIER - A04JD50AA/AB/CA (4997869786C02)
REAR WHEEL DRIVE - A04JD50AA/AB/CA (4995189518C13)
RECOIL STARTER - A04JD50AA/AB/CA (4999201549920154D04)
SEAT - A04JD50AA/AB/CA (4985938593A09)
SHOCK MOUNTING - A04JD50AA/AB/CA (4995189518D05)
STARTING MOTOR - A04JD50AA/AB/CA (4985938593E07)
STEERING POST - A04JD50AA/AB/CA (4977487748B13)
SWING ARM/REAR AXLE MOUNTING - A04JD50AA/AB/CA (4985938593D08)
TAILGATE - A04JD50AA/AB/CA (4995189518A06)
TOOL KIT - A04JD50AA/AB/CA (4985938593E09)
TRANSMISSION MOUNTING - A04JD50AA/AB/CA (4977487748D04)
WATER PUMP - A04JD50AA/AB/CA (4999200139920013D10)
Fuel Your Passion
Parts That Keep You Riding
Edit ride