1190 RC 8 BLACK 2009
Special tools (engine)
FRONT FORK, TRIPLE CLAMP
WP SHIMS FOR SETTING
FUEL PUMP
FRONT BRAKE CONTROL
FRONT BRAKE CALIPER
LIGHTING SYSTEM
FRONT FORK DISASSEMBLED
HANDLEBAR, CONTROLS
FRAME
SIDE / CENTER STAND
SHOCK ABSORBER
PRO LEVER LINKING
SWING ARM
AIR FILTER
FRONT WHEEL
REAR WHEEL
WIRING HARNESS
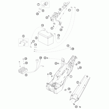
BATTERY
REAR BRAKE CONTROL
REAR BRAKE CALIPER
INSTRUMENTS / LOCK SYSTEM
DECAL
TANK, SEAT
BALANCER SHAFT
CYLINDER
ENGINE CASE
CLUTCH COVER
CRANKSHAFT, PISTON
SECONDARY AIR SYSTEM SAS
CLUTCH
TRANSMISSION I - MAIN SHAFT
TRANSMISSION II - COUNTERSHAFT
SHIFTING MECHANISM
WATER PUMP
COOLING SYSTEM
VALVE DRIVE
LUBRICATING SYSTEM
IGNITION SYSTEM
ELECTRIC STARTER
THROTTLE BODY
TIMING DRIVE
CYLINDER HEAD REAR
CYLINDER HEAD FRONT
EXHAUST SYSTEM
MASK, FENDERS
ACCESSORY PACK
Fuel Your Passion
Parts That Keep You Riding
Edit ride