XPLORER - W959140
A-ARM/STRUT MOUNTING XPLORER 4X4 W959140 (4930223022B014)
AIR BOX ASSEMBLY XPLORER 4X4 W959140 (4930223022B002)
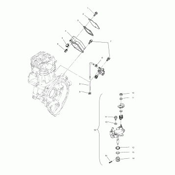
CARBURETOR XPLORER 4X4 W959140 (4930223022D005)
CENTER TIGHTENER ASSEMBLY XPLORER 4X4 W959140 (4930223022C001)
CLUTCH COVER ASSEMBLY XPLORER 4X4 W959140 (4930223022C005)
CONTROLS - MASTER CYLINDER/BRAKE LINE XPLORER 4X4 W959140 (4930223022B010)
CONTROLS - THROTTLE ASM./CABLE XPLORER 4X4 W959140 (4930223022B009)
COOLING SYSTEM XPLORER 4X4 W959140 (4930223022A012)
CRANKCASE and CYLINDER XPLORER 4X4 W959140 (4930223022D001)
CV JOINT - BTB PARTS XPLORER 4X4 W959140 (49302230220B5A)
CV JOINT - NEAPCO PARTS XPLORER 4X4 W959140 (4930223022B005)
DECALS XPLORER 4X4 W959140 (4930223022A008)
DRIVE CLUTCH ASSEMBLY XPLORER 4X4 W959140 (4930223022C003)
DRIVEN CLUTCH ASSEMBLY XPLORER 4X4 W959140 (4930223022C004)
ELECTRICAL/TAILLIGHT ASSEMBLY XPLORER 4X4 W959140 (4930223022C009)
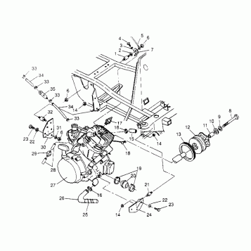
ENGINE MOUNTING XPLORER 4X4 W959140 (4930223022A011)
EXHAUST SYSTEM XPLORER 4X4 W959140 (4930223022A013)
FRONT BRAKE ASSEMBLY XPLORER 4X4 W959140 (4930223022B008)
FRONT CAB ASSEMBLY XPLORER 4X4 W959140 (4930223022A005)
FRONT DRIVE ASSEMBLY XPLORER 4X4 W959140 (4930223022B003)
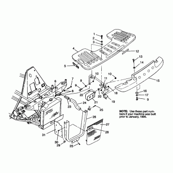
FRONT RACK and BUMPER MOUNTING XPLORER 4X4 W959140 (4930223022A009)
FRONT RACK and BUMPER MOUNTING XPLORER 4X4 W959140 (4930223022A010)
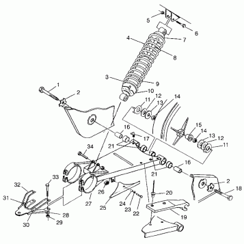
FRONT STRUT ASSEMBLY XPLORER 4X4 W959140 (4930223022B006)
FRONT TIGHTENER ASSEMBLY XPLORER 4X4 W959140 (4930223022B004)
FRONT WHEEL ASSEMBLY XPLORER 4X4 W959140 (4930223022B007)
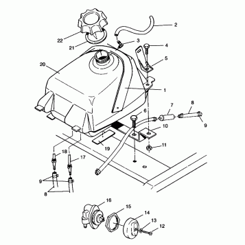
FUEL TANK ASSEMBLY XPLORER 4X4 W959140 (4930223022A014)
GEAR SELECTOR XPLORER 4X4 W959140 (4930223022C010)
GEARCASE ASSEMBLY XPLORER 4X4 W959140 (4930223022C011)
GEARCASE/BRAKE and CHAIN COVER MOUNTING XPLORER 4X4 W959140 (4930223022C006)
HANDLEBAR and HEADLIGHT POD ASSEMBLY XPLORER 4X4 W959140 (4930223022B011)
MAGNETO ASSEMBLY XPLORER 4X4 W959140 (4930223022D008)
OIL PUMP - W959140 (4930223022D004)
OIL TANK ASSEMBLY XPLORER 4X4 W959140 (4930223022B001)
PISTON and CRANKSHAFT XPLORER 4X4 W959140 (4930223022C014)
REAR BRAKE ASSEMBLY XPLORER 4X4 W959140 (4930223022C007)
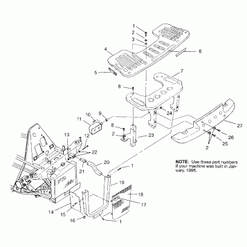
REAR CAB and SEAT ASSEMBLY XPLORER 4X4 W959140 (4930223022A006)
REAR RACK MOUNTING XPLORER 4X4 W959140 (4930223022A007)
REAR WHEEL DRIVE ASSEMBLY XPLORER 4X4 W959140 (4930223022C008)
RECOIL STARTER XPLORER 4X4 W959140 (4930223022D006)
STARTING MOTOR XPLORER 4X4 W959140 (4930223022D007)
STEERING POST ASSEMBLY XPLORER 4X4 W959140 (4930223022B013)
SWING ARM/SHOCK MOUNTING XPLORER 4X4 W959140 (4930223022C002)
TOOL KIT ASSEMBLY XPLORER 4X4 W959140 (4930223022C013)
WATER PUMP XPLORER 4X4 W959140 (4930223022D003)
Fuel Your Passion
Parts That Keep You Riding
Edit ride