TRAIL BOSS 4X4 - W908127
Air Box Assembly (4917731773008A)
Body Assembly Updated 5/90 (4917731773001A)
Carburetor Assembly (4917731773044A)
Clutch Cover Assembly (4917731773027A)
Control Assembly Updated 5/90 (4917731773017A)
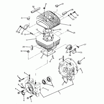
Crankcase and Cylinder Assembly (4917731773041A)
Crankshaft and Piston Assembly (4917731773042A)
Details-Front Drive Assembly CENTER TIGHTENER ASSEMBLY-PN 1380023 (4917731773013A)
Details-Front Drive Assembly FRONT TIGHTENER ASSEMBLY - PN 1380024 (4917731773013B)
Drive Clutch Assembly (4917731773028A)
Driven Clutch Assembly (4917731773029A)
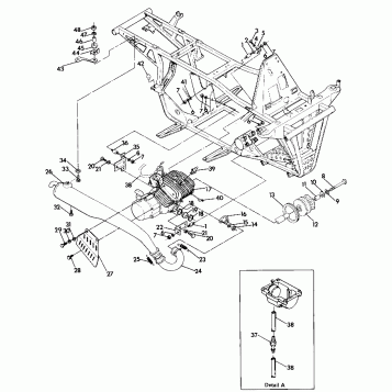
Engine and Muffler Mounting (4917731773005A)
Frame Assembly with Racks Updated 5/90 (4917731773003A)
Front Brake Assembly (4917731773037A)
Front Drive Assembly (4917731773011A)
Front Wheel Assembly 4x4 - Updated 4/89 (4917731773021A)
Fuel Tank Assembly (4917731773009A)
Gearcase Assembly (4917731773035A)
Headlight Assembly (4917731773007A)
Magneto Assembly (4917731773046A)
Oil Pump Assembly (4917731773043A)
Rear Brake Assembly (4917731773032A)
Rear Wheel Drive Assembly (4917731773023A)
Recoil Starter Assembly (4917731773047A)
Right Hand Chain Cover Assembly (4917731773030A)
Right Hand Gearcase and Brake Mounting Updated 5/90 (4917731773031A)
Shift Linkage Assembly Updated 5/90 (4917731773038A)
Starting Motor Assembly Updated 5/90 (4917731773045A)
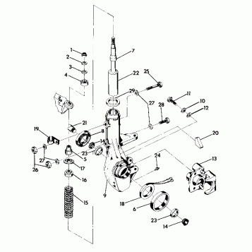
Steering Assembly Updated 5/90 (4917731773015A)
Strut Assembly Updated 5/90 (4917731773019A)
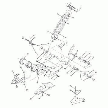
Swing Arm Weldment and Rear Shock Assembly (4917731773025A)
Tool Kit Assembly (4917731773048A)
Wiring Harness (4917731773033A)
Fuel Your Passion
Parts That Keep You Riding
Edit ride