- Partiron
- OEM Parts
- Polaris
- ATV
- 1990
- TRAIL BOSS 4X4 - W908127
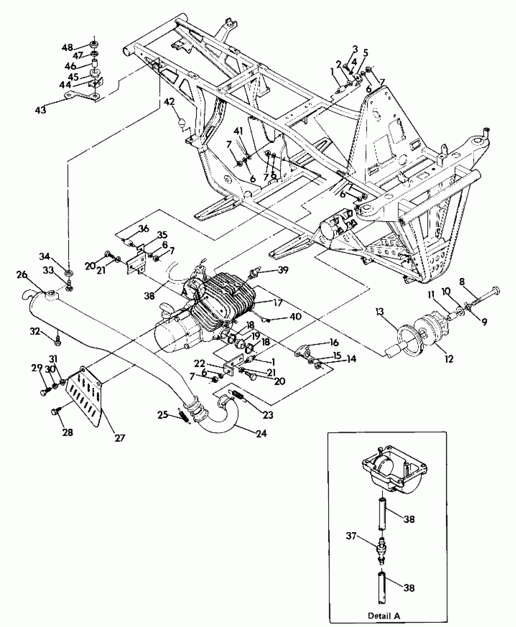
Engine and Muffler Mounting (4917731773005A)
Polaris TRAIL BOSS 4X4 - W908127 Engine and Muffler Mounting (4917731773005A) Diagram
#
Description
Price
1
MOUNT,MOTOR
3110026
Unavailable
1
MOUNT,MOTOR
3110026
Unavailable
5
MOUNT,ENG.,TOP Substituted by 5220471-067
5220471
Unavailable
13
SEAL,ENG./CLUTCH
5410411
Unavailable
14
NUT(10)
3080285
Unavailable
16
MANIFOLD Substituted by 1260543-029
1260543
Unavailable
17
ENG.EC25PF-05(ATV) [No Longer Available]
1211460
Unavailable
17
DESC NOT_AVAILABLE
1211475
Unavailable
18
CABLE, TIE
7080346
Unavailable
18
CABLE, TIE
7080346
Unavailable
21
WASHER SPRINGLOCK(10) Substituted by 7552603
7553001
Unavailable
21
WASHER SPRINGLOCK(10) Substituted by 7552603
7553001
Unavailable
22
PLATE,FR.MTR.MT. Substituted by 5220881-067
5220881
Unavailable
24
HEADPIPE WELD. Substituted by 1260540-029
1260540
Unavailable
26
MUFFLER/ARRESTER WELD. Substituted by 1260535-029
1260535
Unavailable
27
SHIELD,MUFFLER,BLACK Substituted by 5220671-067
5222117
Unavailable
30
COLLAR
3083732
Unavailable
35
MOUNT,REAR Substituted by 5241056-067
5220757
Unavailable
36
MOUNT, MOTOR
3110028
Unavailable
37
CHECKVALVE,VENT Substituted by 7051011
7052047
Unavailable
38
LINE,VENT,(38.0'') Substituted by 8360009-600
5521087
Unavailable
38
LINE,VENT,(38.0'') Substituted by 8360009-600
5521087
Unavailable
38
LINE,VENT,(38.0'') Substituted by 8360009-600
5521087
Unavailable
41
CABLE,GROUND/ENG.
4010067
Unavailable
44
BRKT,LH SUPPORT RACK Substituted by 5220899-067
5220899
Unavailable
44
BRKT,RH SUPPORT RACK Substituted by 5220901-067
5220901
Unavailable
45
DAMPENER
5410241
Unavailable
