TRAIL BOSS 250 - X888528
Air Box Assembly (4914781478019A)
Body Assembly (4914781478001A)
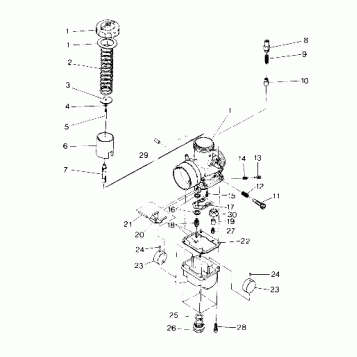
Carburetor Assembly (4914781478034A)
Clutch Cover Assembly (4914781478020A)
Control Assembly (4914781478013A)
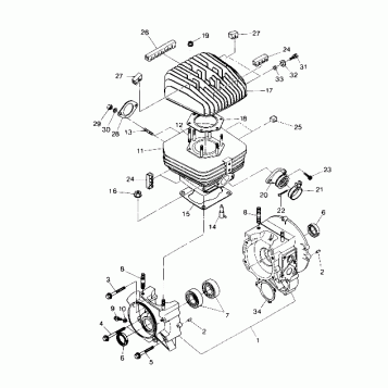
Crankcase and Cylinder Assembly (4914781478031A)
Crankshaft and Piston Assembly (4914781478032A)
Drive Clutch Assembly (4914781478023A)
Driven Clutch Assembly (4914781478024A)
Engine and Muffler Mounting (4914781478005A)
Frame Assembly with Racks (4914781478003A)
Front Brake Assembly (4914781478016A)
Front Wheel Assembly (4914781478015A)
Fuel Tank Assembly (4914781478009A)
Gearcase Assembly (4914781478025A)
Headlight Assembly (4914781478007A)
Magneto Assembly (4914781478036A)
Oil Pump Assembly (4914781478033A)
Rear Brake Assembly (4914781478030A)
Rear Wheel Drive Assembly (4914781478017A)
Recoil Starter Assembly (4914781478037A)
Right Hand Gearcase and Brake Mounting (4914781478029A)
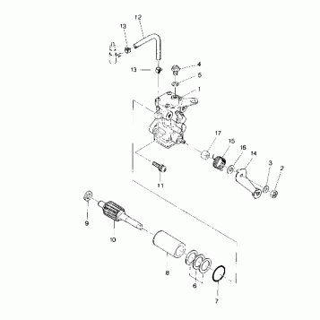
Starting Motor Assembly (4914781478035A)
Steering Assembly (4914781478011A)
Strut Assembly (4914781478008A)
Swing Arm Weldment and Rear Shock Assembly (4914781478021A)
Tool Kit Assembly (4914781478038A)
Wiring Harness (4914781478027A)
Fuel Your Passion
Parts That Keep You Riding
Edit ride