TRAIL BLAZER - W957221
AIR BOX ASSEMBLY Trail Blazer W957221 (4930363036A014)
CARBURETOR Trail Blazer W957221 (4930363036C012)
CLUTCH COVER ASSEMBLY Trail Blazer W957221 (4930363036B010)
CONTROLS - MASTER CYLINDER/BRAKE LINE Trail Blazer W957221 (4930363036B008)
CONTROLS - THROTTLE ASM./CABLE Trail Blazer W957221 (4930363036B004)
CRANKCASE and CYLINDER Trail Blazer W957221 (4930363036C007)
CRANKSHAFT and PISTON Trail Blazer W957221 (4930363036C008)
DECALS Trail Blazer W957221 (4930363036A008)
DRIVE CLUTCH ASSEMBLY Trail Blazer W957221 (4930363036B011)
DRIVEN CLUTCH ASSEMBLY Trail Blazer W957221 (4930363036B012)
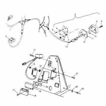
ELECTRICAL/TAILLIGHT ASSEMBLY Trail Blazer W957221 (4930363036C003)
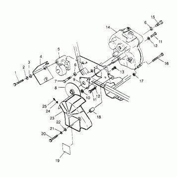
ENGINE MOUNTING Trail Blazer W957221 (4930363036A009)
EXHAUST ASSEMBLY Trail Blazer W957221 (4930363036A010)
FAN MOTOR Trail Blazer W957221 (4930363036C013)
FRAME ASSEMBLY Trail Blazer W957221 (4930363036A007)
FRONT BRAKE ASSEMBLY Trail Blazer W957221 (4930363036B003)
FRONT CAB ASSEMBLY Trail Blazer W957221 (4930363036A005)
FRONT WHEEL ASSEMBLY Trail Blazer W957221 (4930363036B002)
FUEL TANK ASSEMBLY Trail Blazer W957221 (4930363036A011)
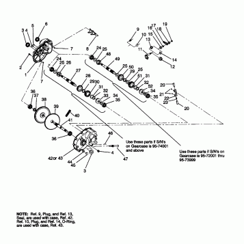
GEARCASE ASSEMBLY Trail Blazer W957221 (4930363036C005)
GEARCASE/BRAKE MOUNTING Trail Blazer W957221 (4930363036B013)
HEADLIGHT ASSEMBLY Trail Blazer W957221 (4930363036A013)
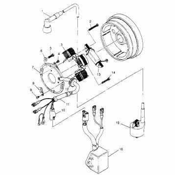
MAGNETO ASSEMBLY Trail Blazer W957221 (4930363036C009)
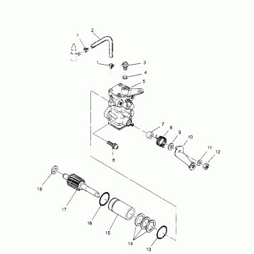
OIL PUMP ASSEMBLY Trail Blazer W957221 (4930363036C011)
OIL TANK ASSEMBLY Trail Blazer W957221 (4930363036A012)
REAR BRAKE ASSEMBLY Trail Blazer W957221 (4930363036B014)
REAR CAB ASSEMBLY Trail Blazer W957221 (4930363036A006)
REAR WHEEL DRIVE ASSEMBLY Trail Blazer W957221 (4930363036C002)
RECOIL STARTER Trail Blazer W957221 (4930363036C010)
SHIFT LINKAGE ASSEMBLY Trail Blazer W957221 (4930363036C001)
STEERING - HANDLEBAR Trail Blazer W957221 (4930363036B005)
STEERING POST ASSEMBLY Trail Blazer W957221 (4930363036B006)
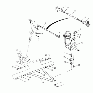
STEERING/A-ARM ASSEMBLY Trail Blazer W957221 (4930363036B007)
STRUT ASSEMBLY Trail Blazer W957221 (4930363036B001)
SWING ARM/SHOCK MOUNTING Trail Blazer W957221 (4930363036B009)
TOOL KIT ASSEMBLY Trail Blazer W957221 (4930363036C004)
Fuel Your Passion
Parts That Keep You Riding
Edit ride