- Partiron
- OEM Parts
- Polaris
- ATV
- 1995
- TRAIL BLAZER - W957221
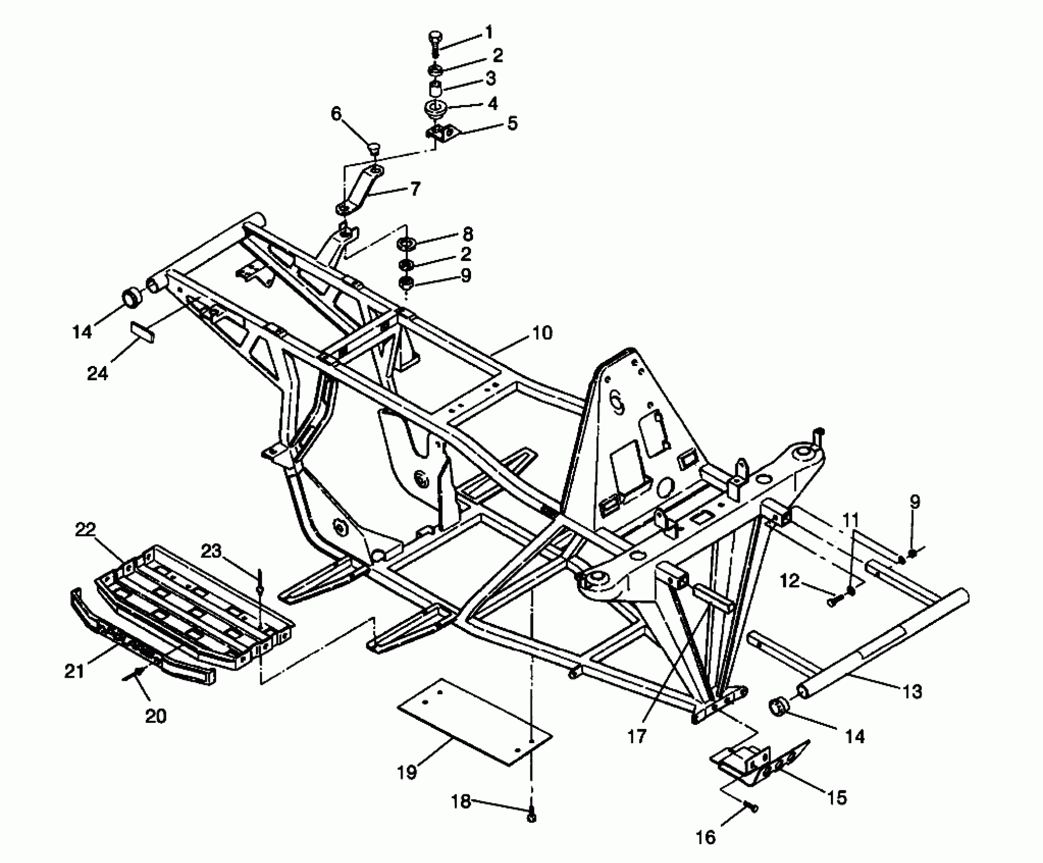
FRAME ASSEMBLY Trail Blazer W957221 (4930363036A007)
Polaris TRAIL BLAZER - W957221 FRAME ASSEMBLY Trail Blazer W957221 (4930363036A007) Diagram
#
Description
Price
4
DAMPENER
5410241
Unavailable
5
BRKT,LH SUPPORT RACK Substituted by 5243468-067
5220899-067
Unavailable
5
BRKT,RH SUPPORT RACK Substituted by 5243469-067
5220901-067
Unavailable
6
PLUG,RUBBER-HOLE,.5DIA(10) Substituted by 5411426
5410012
Unavailable
15
BRKT,LOW,F.BUMPER
2670126-067
Unavailable
17
PLUG, FRAME (Foam)
5810467
Unavailable
19
GUARD, ROCK
5211257-067
Unavailable
21
Trim, Footrest
5431484
Unavailable
22
FOOTPAD,RH
1040417-117
Unavailable
