SPORTSMAN 400L - W97AC38C
A-ARM/STRUT MOUNTING Sportsman 400L W97AC38C (4939673967B013)
AIR BOX Sportsman 400L W97AC38C (4939673967B002)
BUMPER/RACK MOUNTING Sportsman 400L W97AC38C (4939673967A007)
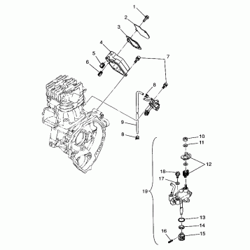
CARBURETOR Sportsman 400L W97AC38C (4939673967D005)
CENTER TIGHTENER Sportsman 400L W97AC38C (4939673967B014)
CLUTCH COVER Sportsman 400L W97AC38C (4939673967C006)
CONTROLS - MASTER CYLINDER/BRAKE LINE Sportsman 400L W97AC38C (4939673967B012)
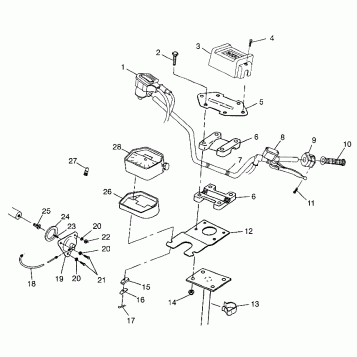
CONTROLS - THROTTLE ASM./CABLE Sportsman 400L W97AC38C (4939673967B009)
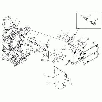
COOLING SYSTEM Sportsman 400L W97AC38C (4939673967A011)
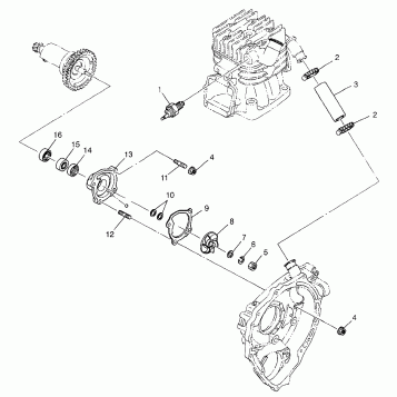
CRANKCASE and CYLINDER Sportsman 400L W97AC38C (4939673967D001)
CV JOINT - BTB Sportsman 400L W97AC38C (4939673967B004)
DECALS Sportsman 400L W97AC38C (4939673967A009)
DRIVE CLUTCH Sportsman 400L W97AC38C (4939673967C001)
DRIVEN CLUTCH Sportsman 400L W97AC38C (4939673967C002)
ELECTRICAL/TAILLIGHT Sportsman 400L W97AC38C (4939673967C009)
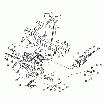
ENGINE MOUNTING Sportsman 400L W97AC38C (4939673967A010)
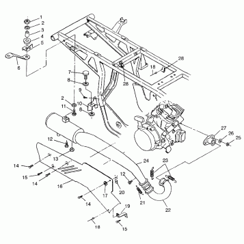
EXHAUST SYSTEM Sportsman 400L W97AC38C (4939673967A012)
FRONT BRAKE Sportsman 400L W97AC38C (4939673967B008)
FRONT CAB Sportsman 400L W97AC38C (4939673967A005)
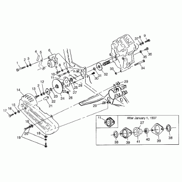
FRONT DRIVE Sportsman 400L W97AC38C (4939673967B003)
FRONT STRUT Sportsman 400L W97AC38C (4939673967B006)
FRONT TIGHTENER Sportsman 400L W97AC38C (4939673967B005)
FRONT WHEEL Sportsman 400L W97AC38C (4939673967B007)
FUEL TANK Sportsman 400L W97AC38C (4939673967A013)
GEAR SELECTOR Sportsman 400L W97AC38C (4939673967C013)
GEARCASE Sportsman 400L W97AC38C (4939673967C011)
GEARCASE/BRAKE and CHAIN COVER MOUNTING Sportsman 400L W97AC38C (4939673967C004)
HEADLIGHT Sportsman 400L W97AC38C (4939673967B001)
MAGNETO Sportsman 400L W97AC38C (4939673967D008)
OIL PUMP Sportsman 400L W97AC38C (4939673967D004)
OIL TANK Sportsman 400L W97AC38C (4939673967A014)
PISTON and CRANKSHAFT Sportsman 400L W97AC38C (4939673967C014)
REAR BRAKE Sportsman 400L W97AC38C (4939673967C005)
REAR CAB Sportsman 400L W97AC38C (4939673967A006)
REAR WHEEL DRIVE Sportsman 400L W97AC38C (4939673967C007)
RECOIL STARTER Sportsman 400L W97AC38C (4939673967D006)
STARTING MOTOR Sportsman 400L W97AC38C (4939673967D007)
STEERING - HANDLEBAR Sportsman 400L W97AC38C (4939673967B010)
STEERING POST Sportsman 400L W97AC38C (4939673967B011)
SWING ARM/SHOCK MOUNTING Sportsman 400L W97AC38C (4939673967C003)
TOOL KIT Sportsman 400L W97AC38C (4939673967C008)
WATER PUMP Sportsman 400L W97AC38C (4939673967D003)
Fuel Your Passion
Parts That Keep You Riding
Edit ride