- Partiron
- OEM Parts
- Polaris
- ATV
- 1997
- SPORTSMAN 400L - W97AC38C
ELECTRICAL/TAILLIGHT Sportsman 400L W97AC38C (4939673967C009)
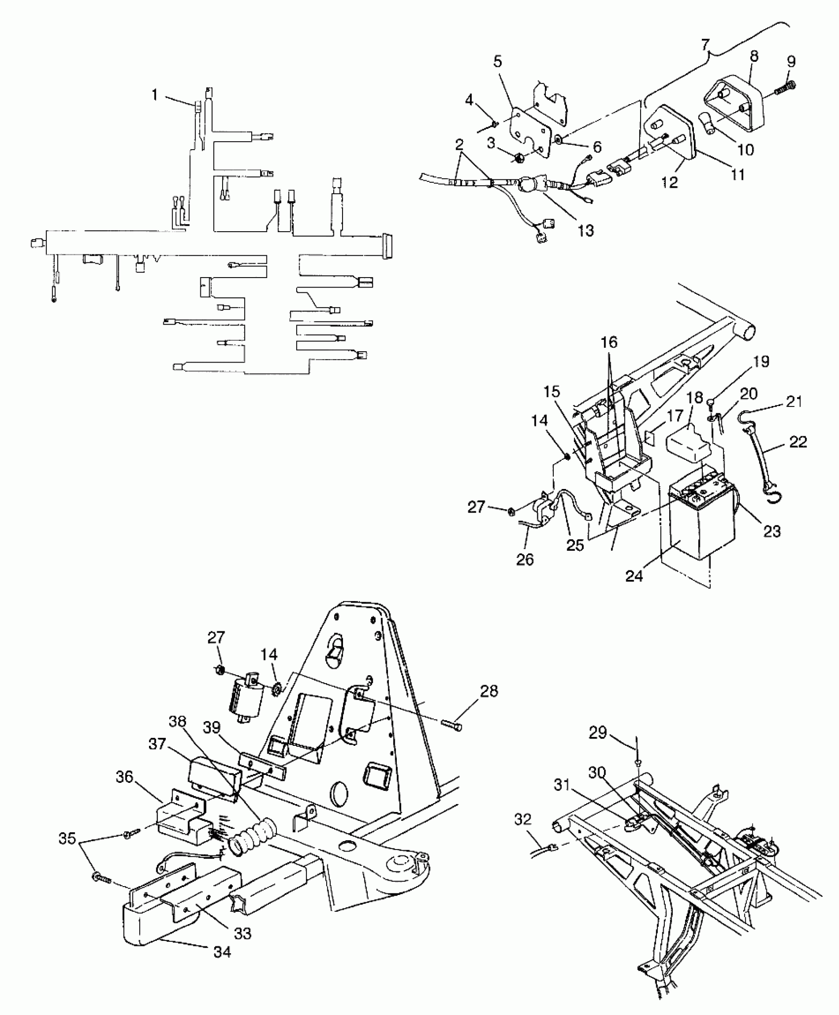
Polaris SPORTSMAN 400L - W97AC38C ELECTRICAL/TAILLIGHT Sportsman 400L W97AC38C (4939673967C009) Diagram
#
Description
Price
1
HARNESS,MAINWIRE,400
2460620
Unavailable
17
DECAL, BATTERY [No Longer Available]
7072606
Unavailable
20
CABLE,BATT/ENG.,BLK.
4010095
Unavailable
22
STRAP,BATTERY HOLDDOWN
5410424
Unavailable
23
FUEL LINE,1/8 ID,600 CM.
8360009-600
Unavailable
25
CABLE,BATT/SOLENOID,RED
4010094
Unavailable
26
CABLE,SOL/START,DBLBOOT
4010129
Unavailable
30
CLAMP,BLK,5/16 PLASTIC(10)
7080524
Unavailable
31
POWER ASM,12V (Incl. 13)
2410022
Unavailable
33
HEATSINK RECT.
5131036
Unavailable
34
RECTIFIER,LR-37
4060133
Unavailable
36
BRKT,CDI(ATV 400)
5240428
Unavailable
37
LIMITER,RPM,350HZ,LR44-2 Substituted by 4060204
4060159
Unavailable
39
HEAT SINK
5210650
Unavailable
