- Partiron
- OEM Parts
- Polaris
- ATV
- 1997
- SPORTSMAN 400L - W97AC38C
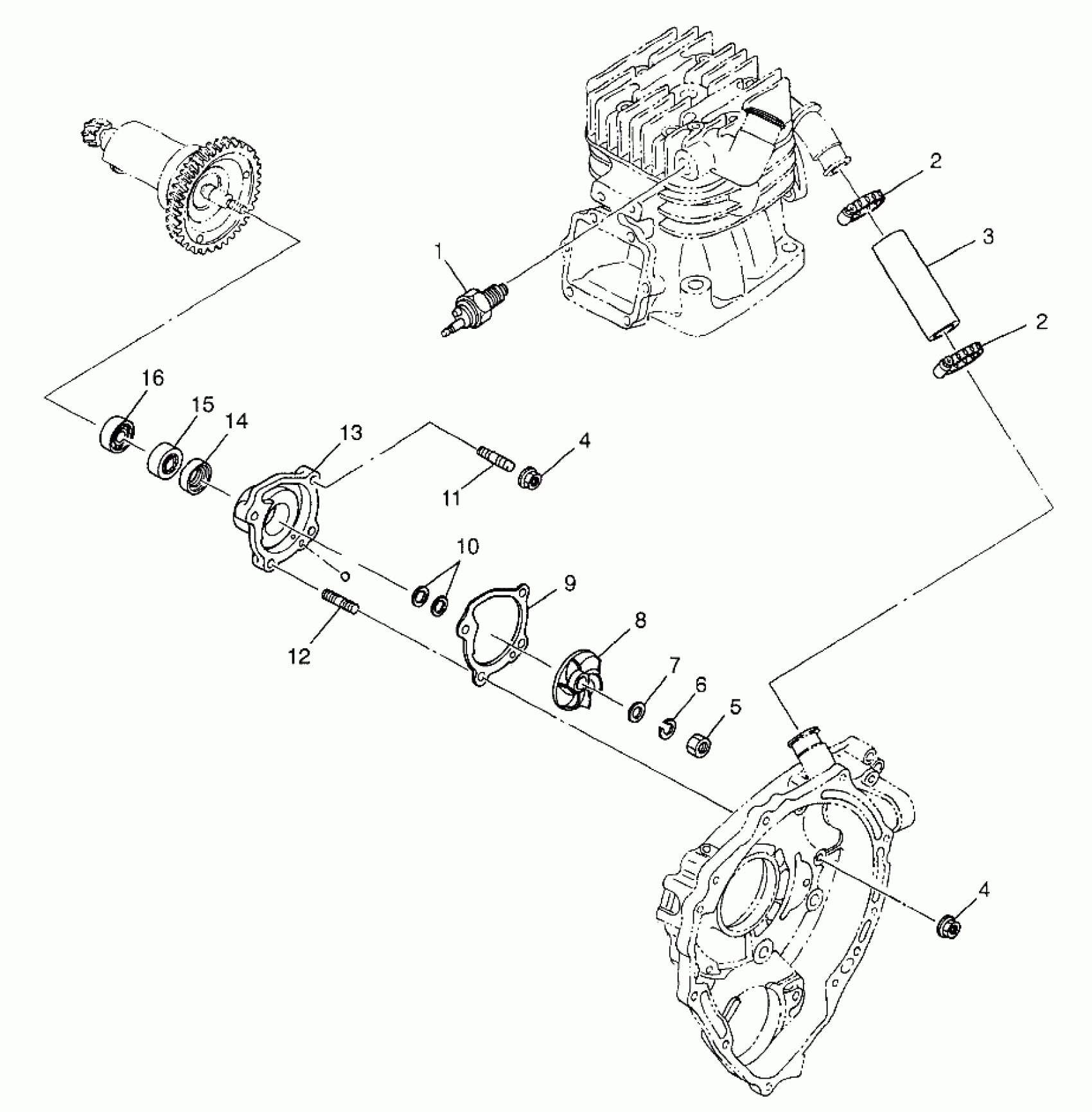
WATER PUMP Sportsman 400L W97AC38C (4939673967D003)
Polaris SPORTSMAN 400L - W97AC38C WATER PUMP Sportsman 400L W97AC38C (4939673967D003) Diagram
#
Description
Price
1
SWITCH,THERMAL,IOS (105
3084284
Unavailable
3
HOSE, MAIN Substituted by 3086773
3084190
Unavailable
8
Impeller
3084186
Unavailable
10
SPACER #3, (0.1) (0.1mm)
3084188
Unavailable
10
SPACER #4, (0.2) (0.2mm)
3084189
Unavailable
11
STUD Substituted by 3086775
3085086
Unavailable
13
CASE,WATER PUMP Substituted by 3086770 (Incl. 11-16)
3085084
Unavailable
13
CASE,WATER PUMP Substituted by 3084754 (Incl. 11, 12)
3085085
Unavailable
14
Seal, Oil
3084185
Unavailable
15
Seal, Oil
3084184
Unavailable
16
Bearing, Ball
3084183
Unavailable
