Speedster 200 Twin 4-TEC, 2005
01- Cooling System
01- Crankshaft And Pistons
01- Cylinder Head
01- Engine And Air Intake Silencer
01- Engine Block
01- Exhaust System
02- Air Intake Manifold
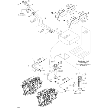
02- Fuel System
02- Oil Separator
03- PTO Cover And Magneto
05- Control Handle
05- Propulsion
05- Pump
05- Reverse
07- Steering System
09- Body And Accessories
09- Central Cover And Accessories
09- Decals, Blue
09- Decals, Red
09- Engine Compartment And Accessories
09- Front Console And Glove Box
09- Hull
09- Lower Hull And Ladder
09- Seat 1, Blue
09- Seat 1, Red
09- Seat 2, Blue
09- Seat 2, Red
09- Tower
10- Electrical Accessories 1
10- Electrical Accessories 2
10- Electrical Accessories 3
10- Electrical Harness 2
10- Electrical System
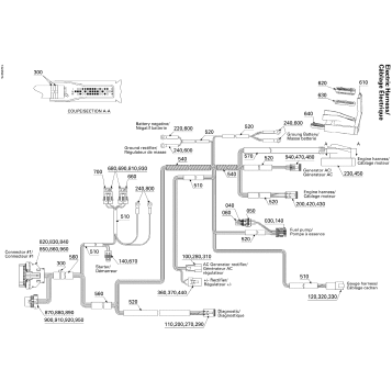
10- Engine Harness
10- Weedless System
Fuel Your Passion
Parts That Keep You Riding
Edit ride