RM100 (1980)
AIR CLEANER
CARBURETOR
CHAIN GUIDE (RM100T)
CHAIN GUIDE (RM100X)
CHAIN GUIDE - TENSIONER (RM100N)
CLUTCH
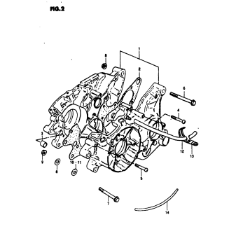
CRANKCASE
CRANKCASE COVER
CRANKSHAFT
CYLINDER
ELECTRICAL
FRAME - SEAT
FRAME COVER (RM100N
FRAME COVER (RM100X)
FRONT FENDER
FRONT FORK (RM100N)
FRONT FORK (RM100T
FRONT WHEEL
FUEL COCK
FUEL TANK (RM100N
FUEL TANK (RM100X)
GEAR SHIFTING
HANDLE GRIP - LEVER (RM100N)
HANDLE GRIP - LEVER (RM100T)
HANDLEBAR (RM100N
HANDLEBAR (RM100X)
KICK STARTER
LEFT HANDLE GRIP (RM100X)
MAGNETO
MUFFLER
OPTIONAL
REAR BRAKE
REAR FENDER
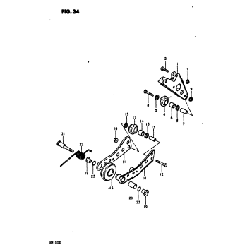
REAR SWINGING ARM (RM100N)
REAR SWINGING ARM (RM100T
REAR WHEEL (RM100N
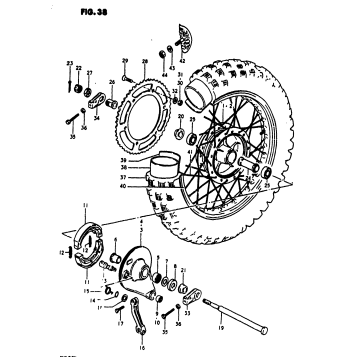
REAR WHEEL (RM100X)
RIGHT HANDLE GRIP (RM100X)
STAND - FOOTREST
TRANSMISSION
Fuel Your Passion
Parts That Keep You Riding
Edit ride