PREDATOR 90 - A04KA09CA
AIR CLEANER - A04KA09CA/CB (4991329132A07)
BUMPER - A04KA09CA/CB (4991329132B02)
CAB/SEAT - A04KA09CA/CB (4991329132B04)
CARBURETOR - A04KA09CA/CB (4999202309920230A08)
CHAIN - A04KA09CA/CB (4999202399920239C01)
CRANKCASE - A04KA09CA/CB (4987808780A10)
CRANKSHAFT - A04KA09CA/CB (4999202399920239A04)
CYLINDER HEAD - A04KA09CA/CB (4999202399920239A03)
DECALS - A04KA09CA/CB (4991329132C04)
DRIVE PULLEY - A04KA09CA/CB (4999202399920239A13)
DRIVE SHAFT - A04KA09CA/CB (4999202359920235A13)
ELECTRICAL PARTS - A04KA09CA/CB (4991329132C03)
ENGINE BRACKET - A04KA09CA/CB (4991329132A14)
EXHAUST PIPE - A04KA09CA/CB (4991329132A09)
FAN COVER - A04KA09CA/CB (4987808780A05)
FRAME BODY - A04KA09CA/CB (4999202399920239B03)
FRONT BRAKE - A04KA09CA/CB (4999202399920239B11)
FRONT WHEEL - A04KA09CA/CB (4999202359920235B07)
GENERATOR/STARTING MOTOR - A04KA09CA/CB (4999202399920239C04)
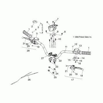
HANDLEBAR - A04KA09CA/CB (4991329132B11)
HEADLIGHT/BRAKELIGHT - A04KA09CA/CB (4991329132C01)
OIL PUMP ASSEMBLY - A04KA09CA/CB (4999202399920239A06)
OIL TANK/FUEL TANK - A04KA09CA/CB (4999202399920239B07)
REAR BRAKE - A04KA09CA/CB (4999202309920230B12)
REAR WHEEL - A04KA09CA/CB (4999202359920235B08)
REAR WHEEL AXLE - A04KA09CA/CB (4995259525B13)
STARTER - A04KA09CA/CB (4999202309920230A12)
STEERING - A04KA09CA/CB (4999202359920235B14)
SUSPENSION - A04KA09CA/CB (4991329132B06)
SWING ARM/FOOTREST - A04KA09CA/CB (4991329132B03)
Fuel Your Passion
Parts That Keep You Riding
Edit ride